HAYASHI林时计 HHM-25/30B PWM高亮度背光型照明
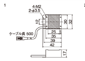
| 形号 | 发光色 | 耗电量 (W) | 最大电压设定值 | 外观图 |
|---|---|---|---|---|
| HHM-25/30W | 白 | 2 | 9A | 1 |
| HHM-25/30R | 赤 | CA | ||
| HHM-25/30B | 青 | 98 | ||
| HHM-66/60W | 白 | 6.8 | F5 | 2 |
| HHM-66/60R | 赤 | FF | ||
| HHM-66/60B | 青 | B3 | ||
| HHM-108/114W | 白 | 14.2 | FF | 3 |
| HHM-108/114R | 赤 | FF | ||
| HHM-108/114B | 青 | FF | ||
| HHM-150/142W | 白 | 23 | FF | 4 |
| HHM-150/142R | 赤 | CF | ||
| HHM-150/142B | 青 | D0 | ||
| HHM-214/226W-24 | 白 | 45 | - | 5 |
| HHM-214/226R-24 | 赤 | |||
| HHM-214/226B-24 | 青 | |||
| ※型号末尾有“-24”的是24V规格,请使用输出为24V的电源。 | ||||
电话:0755-84690029;电话:13682357734;邮箱:2844337877@qq.com;QQ:2844337877