HAMAMATSU滨松  L9421-02    微焦点 X 射线源

HAMAMATSU滨松 L9421-02 微焦点 X 射线源

马上咨询
客服电话 13682357734

HAMAMATSU滨松  L9421-02    微焦点 X 射线源

特点

  • 焦点尺寸:5 µm(4 W 时)
  • 易于操作
  • 串行端口控制 (RS-232C)

用途

  • 非破坏性检测
  • X 射线 CT
  • 同轴 X 射线检查

[Applicable objects]

  • 电子组件
  • 印刷电路板
  • 塑料组件
  • 金属组件

详细参数

管电压90 kV
类型密封型
管电压工作范围20 至 90 kV
最大输出8 W
X 射线焦点尺寸7(4W 时为 5um)μm
X 射线光束角度(锥角)39 度
焦点至物体距离 (FOD)9.5 mm

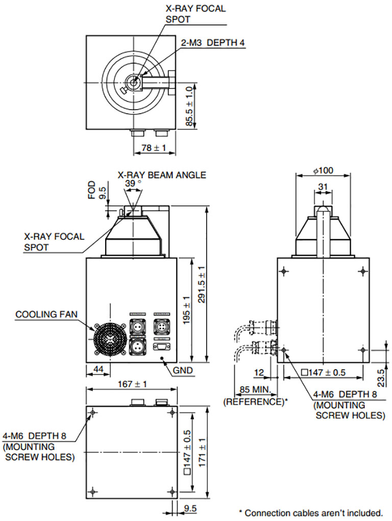
外形尺寸图(单位:mm)

电话:0755-84690029;电话:13682357734;邮箱:2844337877@qq.com;QQ:2844337877

常见问题

粤ICP备15077436号