HAYASHI林时计    HDB80x60R    高亮度背光源

HAYASHI林时计 HDB80x60R 高亮度背光源

马上咨询
客服电话 13682357734

HAYASHI林时计    HDB80x60R    高亮度背光源

1546405272(1).png

abcde
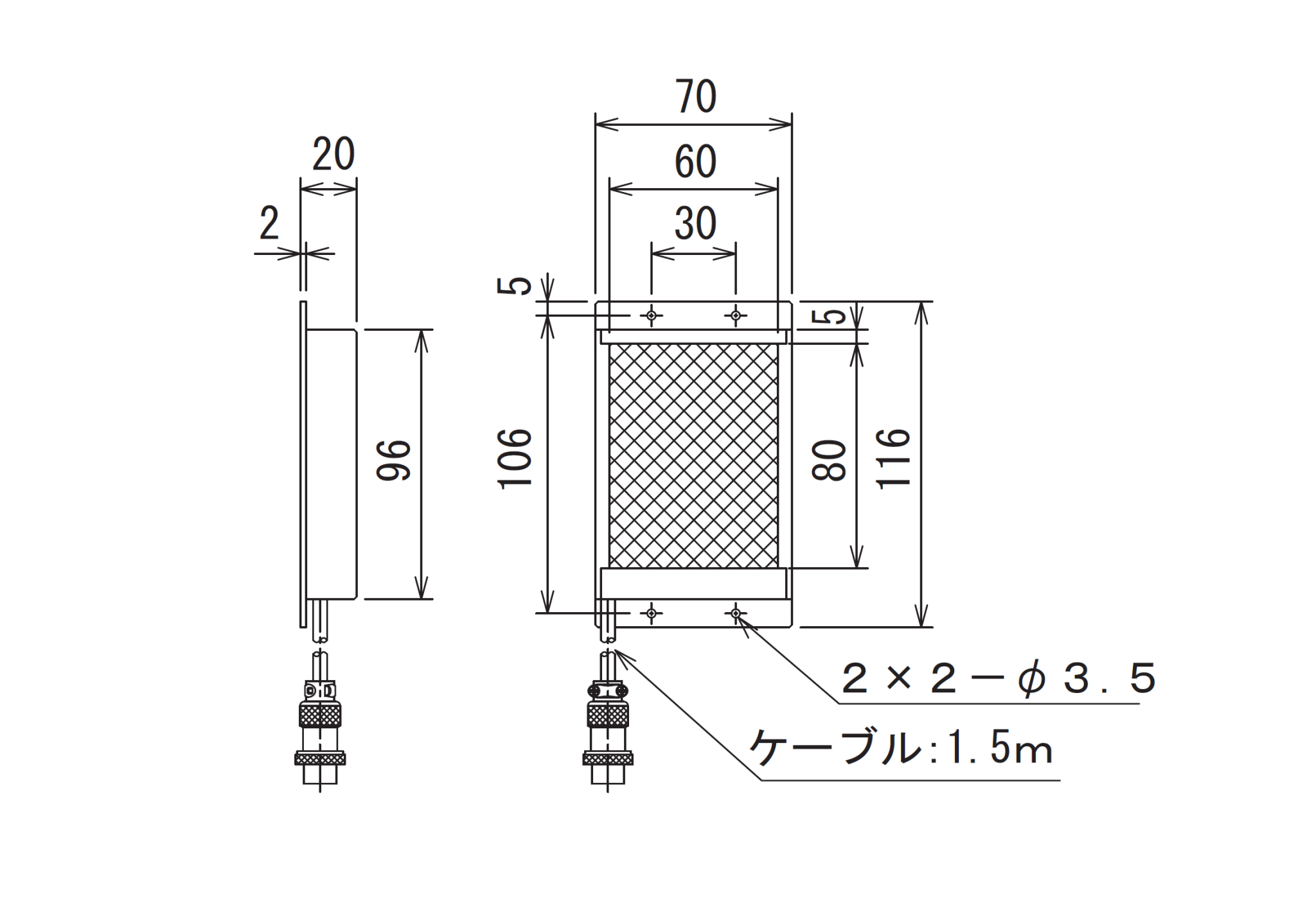
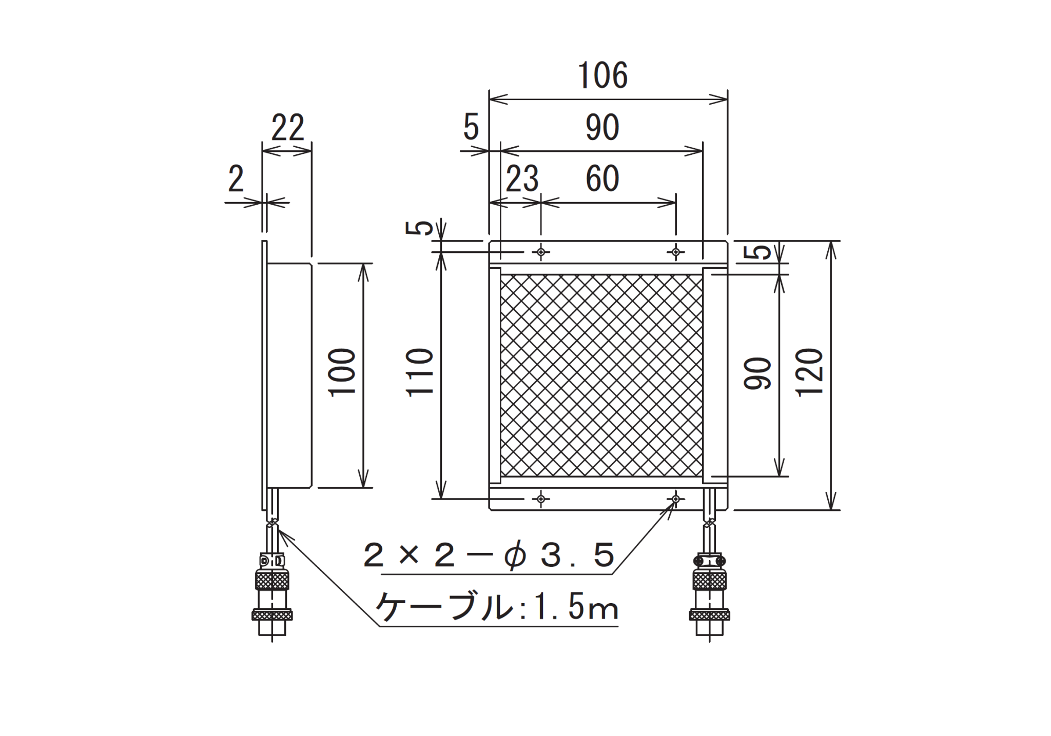
型号发光色外观图尺寸(mm)
HDB60×30S□160807011620
HDB60×60S□2909012010522
※红(R)色以外的发光色,请商谈


HDB80x60R
3111_HDB80-60R_gaikan.pngHDB90x90R3111_HDB90-90R_gaikan.png

电话:0755-84690029;电话:13682357734;邮箱:2844337877@qq.com;QQ:2844337877

常见问题

粤ICP备15077436号