LELMAC雷马克 IMAR-170MLTC-7ch 多色照明

| 模型 | IMAR-170MLTC-7ch | ||||||
|---|---|---|---|---|---|---|---|
| 产品编号 | 162-010 | ||||||
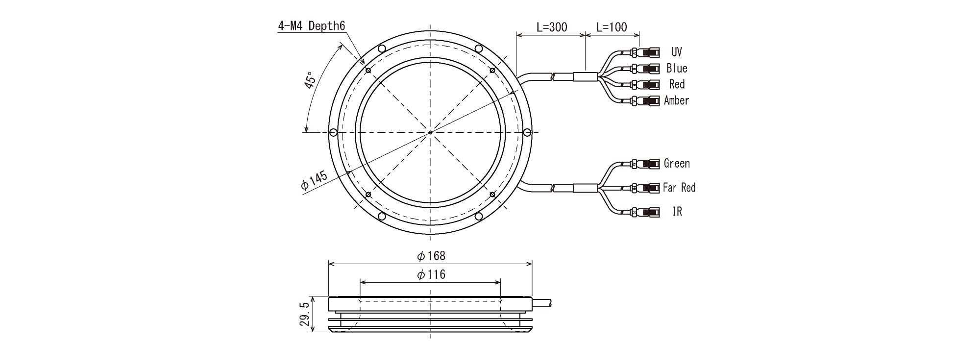
| 发光颜色 | 紫外线 | 蓝色的 | 绿色的 | 琥珀色 | 红色的 | 铁红 | 红外线的 |
| 色温/峰值波长 | 405nm(典型值) | 465nm(典型值) | 525nm(典型值) | 590nm(典型值) | 635nm(典型值) | 740nm(典型值) | 850nm(典型值) |
| 输入电压 | 直流12V | ||||||
| 能量消耗 | 3W | 3.4W | 3.8W | 4.7W | 2.8W | 3.3W | 1.7W |
| SAG设定值 | FF | ||||||
| 电缆长度 | 500毫米 | ||||||
| 输入连接器 | SM连接器(SMR-02V-B) | ||||||
| 极性 | 1:+ 2:- | ||||||
| 工作温度 | 0~+40℃ | ||||||
| 工作湿度 | 35~85%(非凝结) | ||||||
| 大量的 | 490克 | ||||||
电话:0755-84690029;电话:13682357734;邮箱:2844337877@qq.com;QQ:2844337877