LELMAC雷马克 IFV-C13 AIR-850-HM 准同轴落射照明

| 模型 | IFV-C13DW-HM | IFV-C13DR-HM | IFV-C13R-HM | IFV-C13B-HM | IFV-C13G-HM | IFV-C13 AIR-850-HM |
|---|---|---|---|---|---|---|
| 产品编号 | 331-583 | 331-587 | 331-087 | 331-580 | 331-581 | 331-588 |
| 发光颜色 | ![]() | ![]() | ![]() | ![]() | ![]() | ![]() |
| 色温/峰值波长 | 7000K 典型值 | 635nm(典型值) | 660nm(典型值) | 470nm(典型值) | 525nm(典型值) | 850nm(典型值) |
| 输入电压 | 直流12V | |||||
| 功耗 | 0.6W | 0.3W | 0.8W | 0.6W | 0.6W | 0.8W |
| SAG设定值 | FF | C5 | 6D | FF | FF | 待定 |
| 电缆长度 | 500毫米 | |||||
| 输入连接器 | SM连接器(SMR-02V-B) | |||||
| 极性 | 1:+ 2:- | |||||
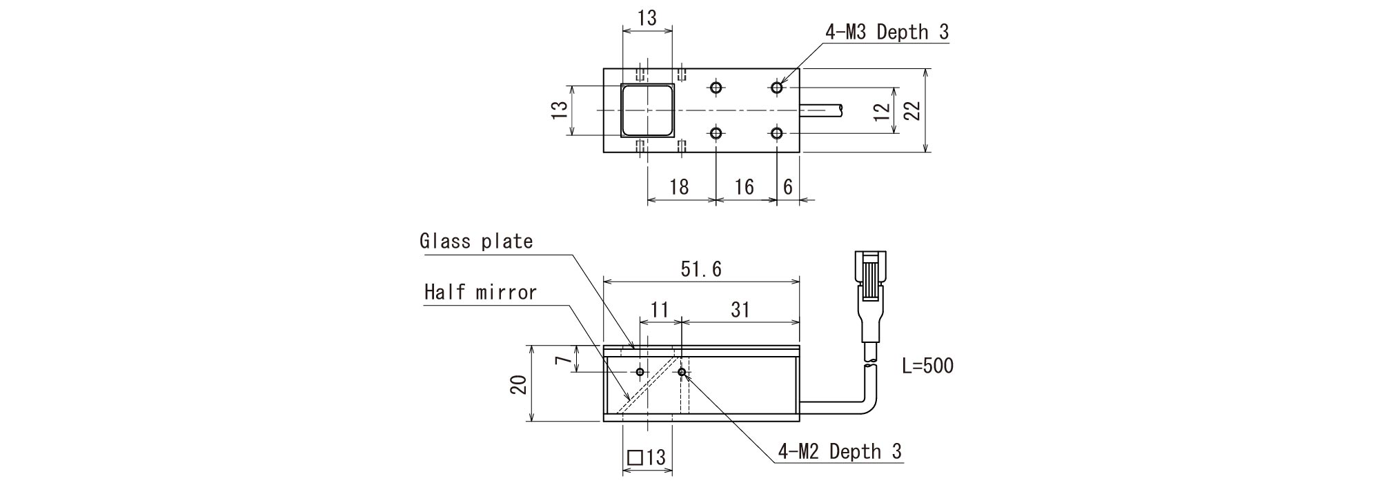
| 外部尺寸(高/宽/深) | 20毫米/13毫米/51.6毫米 | |||||
| 工作温度 | 0~+40℃ | |||||
| 工作湿度 | 35-85%(非冷凝) | |||||
| 大量的 | 65克 | |||||
电话:0755-84690029;电话:13682357734;邮箱:2844337877@qq.com;QQ:2844337877