HAYASHI林时计 HDB100S 透射型照射方式(薄型导光面)

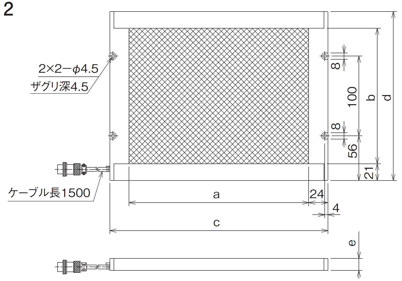
| a | b | c | d | e | |||
|---|---|---|---|---|---|---|---|
| 型式 | 発光色 | 外観図 | 寸法(mm) | ||||
| HDB60×30S□ | 赤、白、青、緑 | 1 | 60 | 30 | 70 | 53 | 8.7 |
| HDB60×60S□ | 赤、白、青、緑 | 1 | 60 | 60 | 70 | 96 | 8.7 |
| HDB100×50S□ | 赤、白、青、緑 | 1 | 100 | 50 | 110 | 86 | 8.7 |
| HDB100×100S□ | 赤、白、青、緑 | 1 | 100 | 100 | 110 | 136 | 8.7 |
| HDB225×170S□ | 赤、白、青、緑 | 2 | 225 | 170 | 273 | 212 | 25.2 |


电话:0755-84690029;电话:13682357734;邮箱:2844337877@qq.com;QQ:2844337877