LELMAC雷马克 IHMA-108/114R-40D 薄型穿孔面照明

| 模型 | IHMA-108/114W-40D | IHMA-108/114R-40D | IHMA-108/114B-40D |
|---|---|---|---|
| 产品编号 | 327-010 | 327-011 | 327-012 |
| 发光颜色 | ![]() | ![]() | ![]() |
| 色温/峰值波长 | 5000K 典型值 | 630nm(典型值) | 465nm(典型值) |
| 输入电压 | 直流12V | ||
| 能量消耗 | 21W | 17W | 21W |
| SAG设定值 | E5 | FF | F0 |
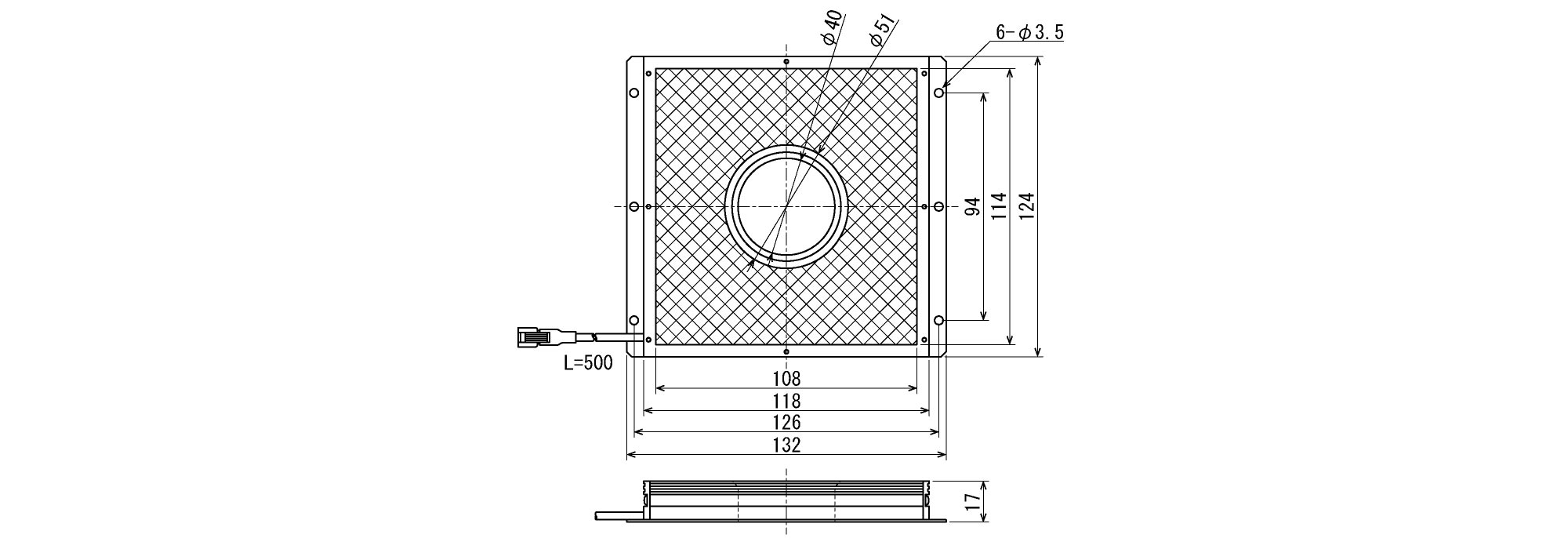
| 电缆长度 | 500毫米 | ||
| 输入连接器 | SM连接器(SMR-02V-B) | ||
| 极性 | 1:+ 2:- | ||
| 工作温度 | 0~+40℃ | ||
| 工作湿度 | 35~85%(非凝结) | ||
| 大量的 | 220克 | ||
电话:0755-84690029;电话:13682357734;邮箱:2844337877@qq.com;QQ:2844337877