LELMAC雷马克 IDBB-SE400RHV B'C 线条照明

| 型式 | IDBB-SE400WHV | IDBB-SE400RHV | IDBB-SE400BHV |
|---|---|---|---|
| 品番 | 304-108 | 304-208 | 304-308 |
| 発光色 | ![]() | ![]() | ![]() |
| 色温度/ピーク波長 | 6200K typ. | 635nm typ. | 465nm typ. |
| 入力電圧 | DC24V | ||
| 消費電力 | 28W | ||
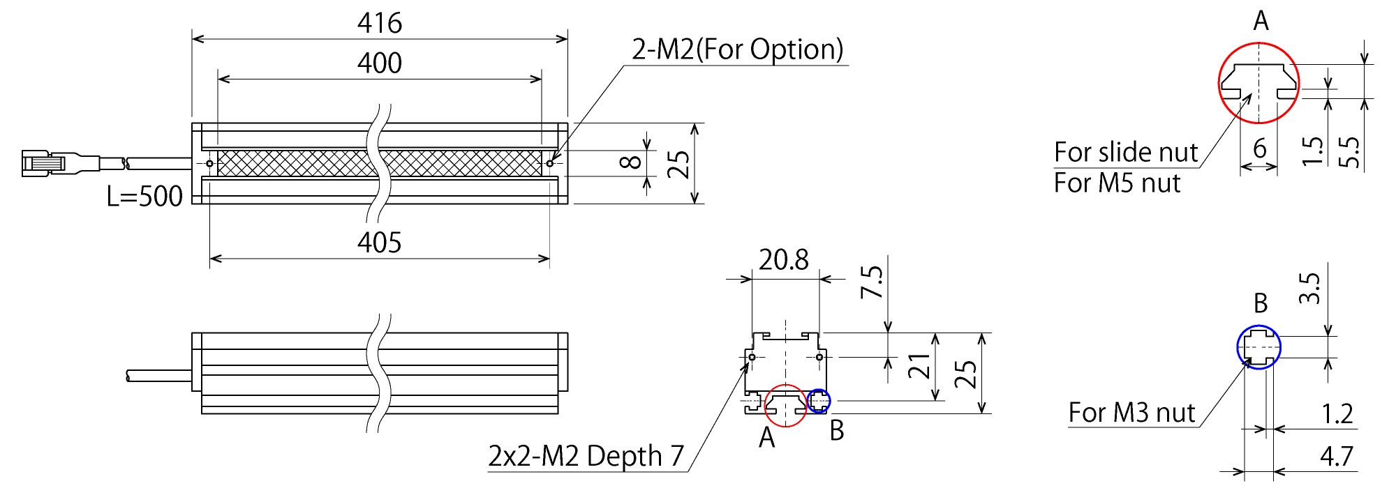
| ケーブル長 | 500mm | ||
| 入力コネクタ | SM connector(SMR-03V-B) | ||
| 極性 | 1:+ 2:NC 3:- | ||
| 使用温度 | 0~+40℃ | ||
| 使用湿度 | 35~85% (non condensing) | ||
| 質量 | 420g | ||
电话:0755-84690029;电话:13682357734;邮箱:2844337877@qq.com;QQ:2844337877