LELMAC雷马克 IFV-C40DW 准同轴落射照明

| 模型 | IFV-C40DW | IFV-C40DR | IFV-C40R | IFV-C40B | IFV-C40G | IFV-C40 AIR-850 |
|---|---|---|---|---|---|---|
| 产品编号 | 331-634 | 331-597 | 331-510 | 331-512 | 331-593 | 331-514 |
| 发光颜色 | ![]() | ![]() | ![]() | ![]() | ![]() | ![]() |
| 色温/峰值波长 | 7000K 典型值 | 635nm(典型值) | 660nm(典型值) | 470nm(典型值) | 525nm(典型值) | 850nm(典型值) |
| 输入电压 | 直流12V | |||||
| 功耗 | 3.1W | 3.6W | 2.7W | 3.1W | 3.1W | 2W |
| SAG设定值 | FF | C7 | 6楼 | FF | FF | FF |
| 电缆长度 | 500毫米 | |||||
| 输入连接器 | SM连接器(SMR-02V-B) | |||||
| 极性 | 1:+ 2:- | |||||
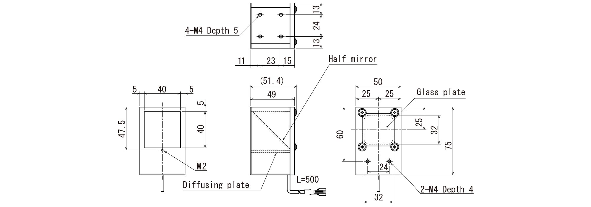
| 外部尺寸(高/宽/深) | 49毫米/50毫米/75毫米 | |||||
| 工作温度 | 0~+40℃ | |||||
| 工作湿度 | 35-85%(非冷凝) | |||||
| 大量的 | 170克 | |||||
电话:0755-84690029;电话:13682357734;邮箱:2844337877@qq.com;QQ:2844337877