LELMAC雷马克 IQDA-CB240/220W 立方体圆顶照明

| 模型 | IQDA-CB240/220W |
|---|---|
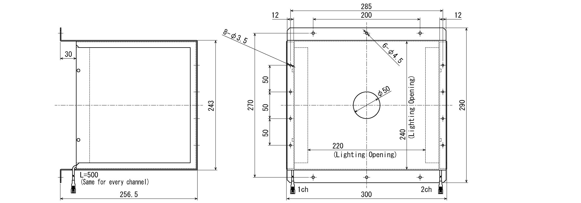
| 产品编号 | 347-305 |
| 发光颜色 | ![]() |
| 色温/峰值波长 | 5500K |
| 输入电压 | 直流12V |
| 能量消耗 | 28W(14Wx2通道) |
| SAG设定值 | A9 |
| 电缆长度 | 500毫米 |
| 输入连接器 | SM连接器(SMR-02V-B) |
| 极性 | 1:+ 2:- |
| 工作温度 | 0~+40℃ |
| 工作湿度 | 35~85%(非凝结) |
| 大量的 | 2.1公斤 |
电话:0755-84690029;电话:13682357734;邮箱:2844337877@qq.com;QQ:2844337877