SIGMA    西格玛     CLSQ-30100-130P    平凸柱面透镜
  • SIGMA    西格玛     CLSQ-30100-130P    平凸柱面透镜

SIGMA 西格玛 CLSQ-30100-130P 平凸柱面透镜

SIGMA 西格玛 CLSQ-30100-130P 平凸柱面透镜
马上咨询
客服电话 13682357734

SIGMA    西格玛     CLSQ-30100-130P    平凸柱面透镜


有从可见光到近红外用的BK7材料的透镜,和可用于350nm以下紫外光的高激光损伤阈值的合成石英透镜这两种类型。
◦BK7材料的透镜中,备有可见光·近红外·红外三种类型的防反射膜的透镜。
更多信息
目录编号W3067
RoHS
CE
资料下载


图纸下载



信息▶承接制造产品目录之外的外径尺寸或焦距的产品。
▶也承接制造无镀膜透镜上蒸镀特定波长的防反射膜的产品。
▶也备有固定柱面透镜的柱面透镜支架(CHA)。
WEB参照/カタログコードW4022
▶「波长特性数据」(仅供参考,EXCEL档案格式)请参考【这里】。
注意▶柱面平凸透镜有色差,焦距随波长变化。对应各不同波长的实际焦点距离,请参考技术数据中的『焦距随波长变化关系表』。
▶射入柱面平凸透镜的光线有方向性。请务必从凸面一侧射入平行光。否则球差会变大,聚光线条会变宽。
▶由于无镀膜透镜的正面和反面都存在反射损失,所以透过率为90%左右。
技术指标
材质合成石英
设计波长546.1nm
折射率ne=1.460
镀膜无镀膜
防反射膜波长范围无镀膜
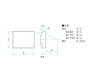
有效直径外形尺寸90%的长方形内接圆或椭圆
表面质量20−10
A×B30×100mm
焦距 f130mm
边缘厚度 te3.1mm
中心厚度 tc5mm
后焦距 fb126.6mm
曲率半径 r59.8mm


手机/微信:13682357734   电话:0755-84690029       QQ: 2844337877        邮箱:2844337877@qq.com

常见问题

粤ICP备15077436号