Shimatec仕玛铁 VRMDS-28B+DC 同轴环形照明
| 材料 | 铝树脂 |
| 电缆长度 | 0.3m |
| 电缆类型 | 机器人电缆AWG22(2芯,外径4.7mm) |
| 使用通道数 | 1通道 |
| 能量消耗 | 2W |
| 使用环境 | 温度0~40℃,湿度20~87%RH(无凝露) |
| 冷却方式 | 自然冷却 |
| 输入电压 | 直流24V |
| 连接器 | SMR-03V-B(日本出版社制造) |
| 极性 | 1 针:+(芯线粉色) 2 针:NC 3 针:-(芯线蓝色) |
| 大量的 | 30克 |
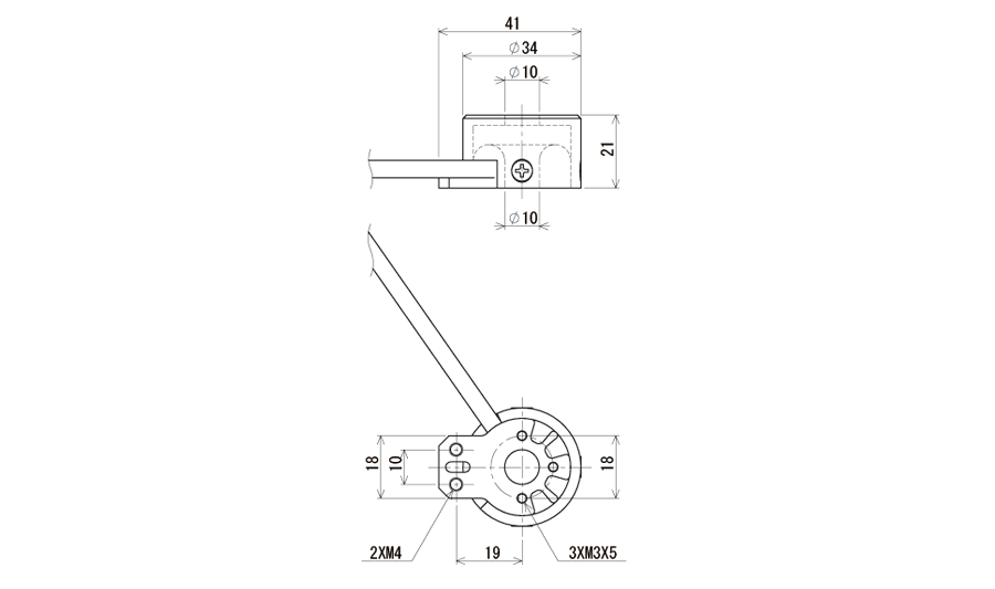
| 尺寸 | 外径φ34mm×内径φ10mm×高度21mm |

电话:0755-84690029;电话:13682357734;邮箱:2844337877@qq.com;QQ:2844337877