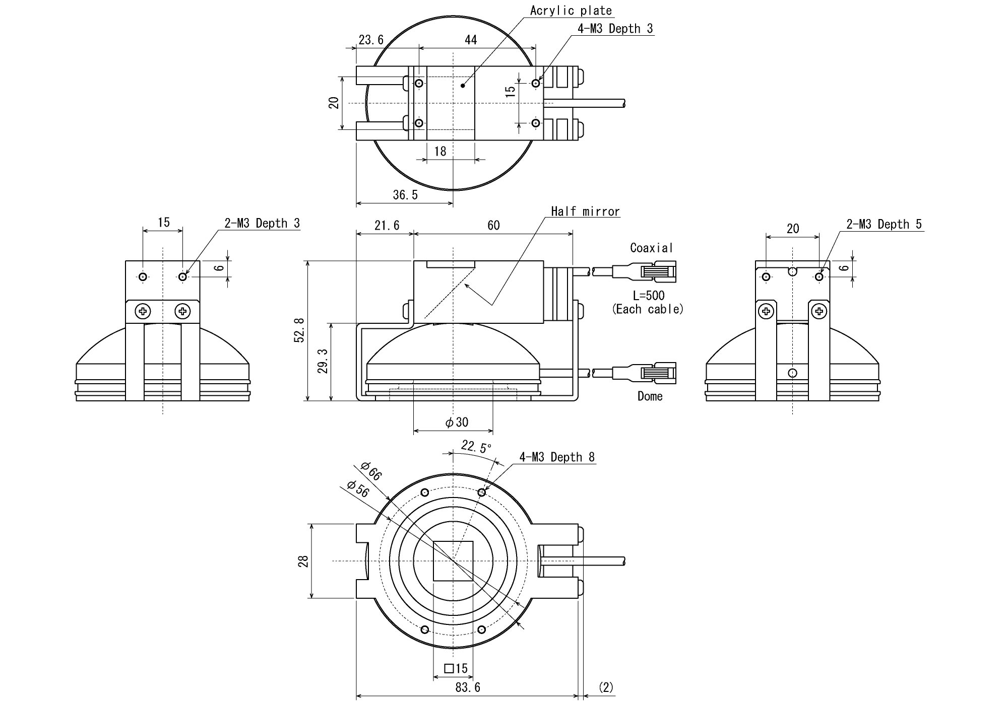
LELMAC雷马克 IDUB-60WHV 伪同轴圆顶照明

| 模型 | IDUB-60WHV | IDUB-60RHV | IDUB-60BHV |
|---|---|---|---|
| 产品编号 | 352-105 | 352-106 | 352-107 |
| 发光颜色 | ![]() | ![]() | ![]() |
| 色温/峰值波长 | 4700K 典型值 | 635nm(典型值) | 470nm(典型值) |
| 输入电压 | 直流24V | ||
| 能量消耗 | 10.7瓦 | ||
| 电缆长度 | 500毫米 | ||
| 输入连接器 | SM连接器(SMR-03V-B) | ||
| 极性 | 1:+ 2:NC 3:- | ||
| 工作温度 | 0~+40℃ | ||
| 工作湿度 | 35~85%(非凝结) | ||
| 大量的 | 180克 | ||
电话:0755-84690029;电话:13682357734;邮箱:2844337877@qq.com;QQ:2844337877