LELMAC雷马克 IFVA-70GHV 准同轴落射照明

| 模型 | IFVA-70WHV | IFVA-70RHV | IFVA-70BHV | IFVA-70GHV | IFVA-70IR-850HV |
|---|---|---|---|---|---|
| 产品编号 | 378-130 | 378-131 | 378-132 | 378-134 | 378-133 |
| 发光颜色 | ![]() | ![]() | ![]() | ![]() | ![]() |
| 色温/峰值波长 | – | 634nm(典型值) | 465nm(典型值) | 520nm(典型值) | 850nm(典型值) |
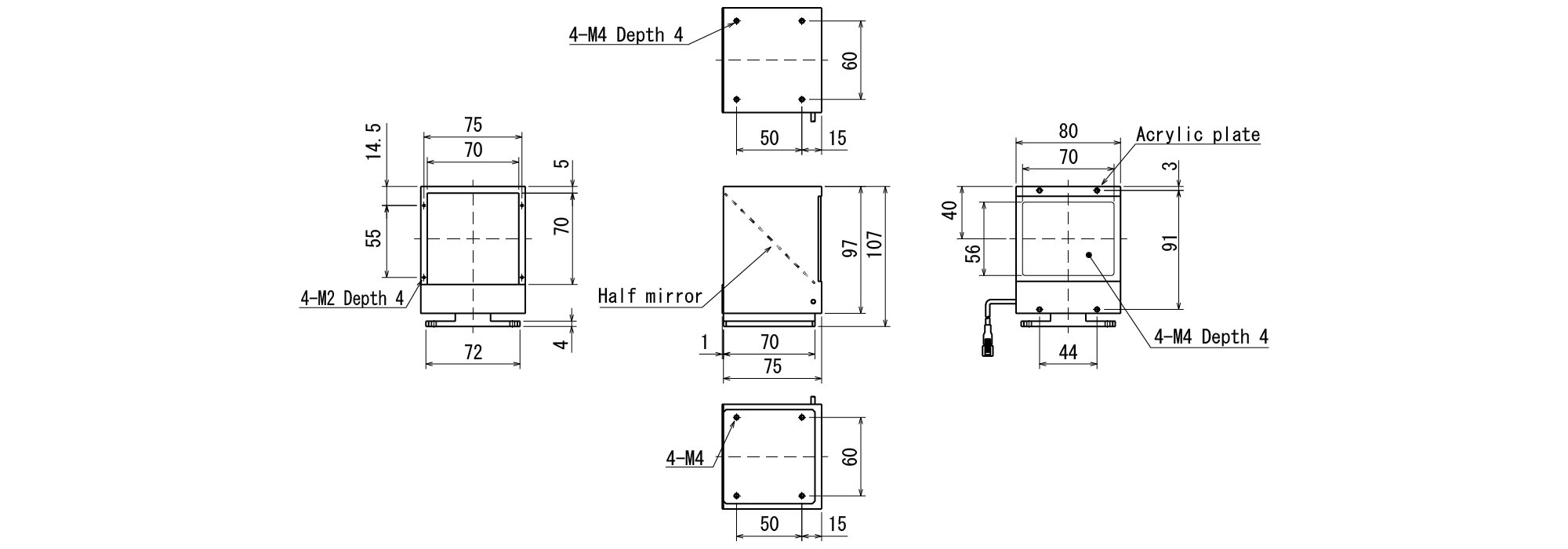
| 输入电压 | 直流24V | ||||
| 功耗 | 24W | 18W | 17W | ||
| 电缆长度 | 500毫米 | ||||
| 输入连接器 | SM连接器(SMR-03V-B) | ||||
| 极性 | 1:+ 2:NC 3:- | ||||
| 工作温度 | 0~+40℃ | ||||
| 工作湿度 | 35~85%(非凝结) | ||||
| 大量的 | 530克 | ||||
电话:0755-84690029;电话:13682357734;邮箱:2844337877@qq.com;QQ:2844337877