OPT   奥普特         OPT-FLG204128-X       高亮频闪背光源
  • OPT   奥普特         OPT-FLG204128-X       高亮频闪背光源

OPT 奥普特 OPT-FLG204128-X 高亮频闪背光源

马上咨询
客服电话 13682357734

OPT   奥普特         OPT-FLG204128-X       高亮频闪背光源


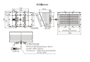
脉宽1-1023us可调,最大频率66Hz,双向倾斜角度发光,光源具有防尘、防水性能,防护等级IP64。远距离工作可非标定制,光源整体采用铝合金设计,结构稳固可靠,散热好。

应用:主要适用于高铁轨道划伤、裂痕等检测。






手机/微信:13682357734   电话:0755-84690029       QQ: 2844337877        邮箱:2844337877@qq.com

常见问题

粤ICP备15077436号