OPT   奥普特      OPT-FL175175-W    底部背光源
  • OPT   奥普特      OPT-FL175175-W    底部背光源

OPT 奥普特 OPT-FL175175-W 底部背光源

马上咨询
客服电话 13682357734

OPT   奥普特      OPT-FL175175-W    底部背光源


产品特点:

◆亮度高,均匀性好;标准型号均匀性超过85%,定制产品可达95%。

◆外壳边框宽度窄,有效发光面占比高,适用于空间紧凑的环境。
◆安装灵活,可从正面、背面、侧面三个方向进行安装。


应用领域:

◆机械零件尺寸测量

◆电子元件、IC的外形检测

◆胶片污点检测

◆透明物体划痕检测

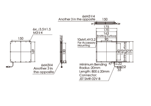
型号OPT-FL175175-W
颜色
消耗功率24.5W
通道数1
外壳尺寸(长)175
发光面尺寸(长)163
建议配套控制器OPT-DPA2024E




手机/微信:13682357734   电话:0755-84690029       QQ: 2844337877        邮箱:2844337877@qq.com

常见问题

粤ICP备15077436号