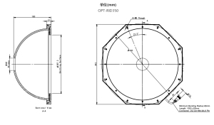
OPT   奥普特     OPT-RID350-B        球积分光源
  • OPT   奥普特     OPT-RID350-B        球积分光源

OPT 奥普特 OPT-RID350-B 球积分光源

马上咨询
客服电话 13682357734

OPT   奥普特     OPT-RID350-B        球积分光源


产品特点:

◆采用特制漫反射罩,使光线均匀分布在整个观察视野中

◆可消除表面不平整造成的干扰

◆可与RI、CO系列进行组合,实现更佳检测效果


应用领域:

◆曲面、不规则表面、凹凸表面、弧形表面的检测

◆金属、玻璃表面等反光比较强的物质表面检测
◆镭射雕刻字符、丝印字符检测

型号OPT-RID350-B
颜色
消耗功率2.2A/49.5w
外壳尺寸(直径)350
发光面尺寸(长)287.2
建议配套控制器OPT-DPA6024




手机/微信:13682357734   电话:0755-84690029       QQ: 2844337877        邮箱:2844337877@qq.com

常见问题

粤ICP备15077436号