LELMAC雷马克 IDDB-KH80RHV 打火机版本 NEO 顶灯

| 模型 | IDDB-KH80AWHV | IDDB-KH80RHV | IDDB-KH80BHV | IDDB-KH80IR-850HV |
|---|---|---|---|---|
| 产品编号 | 350-737 | 350-736 | 350-735 | 350-738 |
| 发光颜色 | ![]() | ![]() | ![]() | ![]() |
| 色温/峰值波长 | 4900K 典型值 | 635nm(典型值) | 465nm(典型值) | 850nm(典型值) |
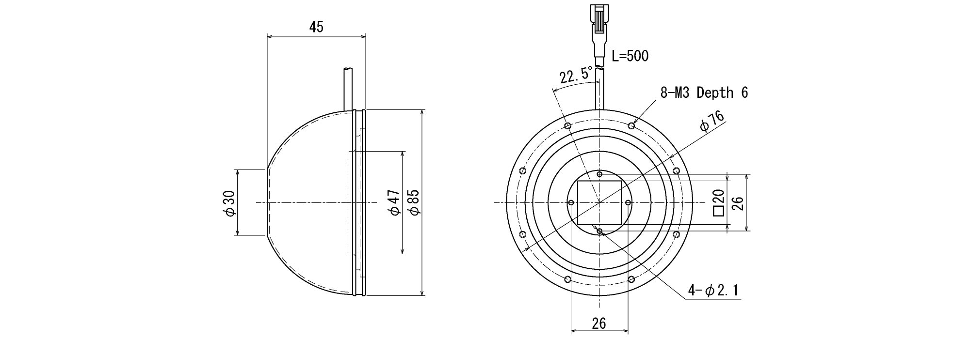
| 输入电压 | 直流24V | |||
| 能量消耗 | 9W | |||
| 电缆长度 | 500毫米 | |||
| 输入连接器 | SM连接器(SMR-03V-B) | |||
| 极性 | 1:+ 2:NC 3:- | |||
| 工作温度 | 0~+40℃ | |||
| 工作湿度 | 35-85%(非冷凝) | |||
| 大量的 | 105克 | |||
电话:0755-84690029;电话:13682357734;邮箱:2844337877@qq.com;QQ:2844337877