HAMAMATSU滨松    L9181-02  微焦点 X 射线源

HAMAMATSU滨松 L9181-02 微焦点 X 射线源

马上咨询
客服电话 13682357734

HAMAMATSU滨松    L9181-02  微焦点 X 射线源

特点

  • 焦点尺寸:5 µm(4 W 时)
  • 无需高压电缆连接
  • 通过 RS-232C 接口进行外部控制
  • 高功率:最大输出为 39 W

用途

  • 非破坏性检测
  • X 射线 CT

[Applicable objects]

  • 电子组件
  • 印刷电路板
  • 塑料组件
  • 金属组件

详细参数

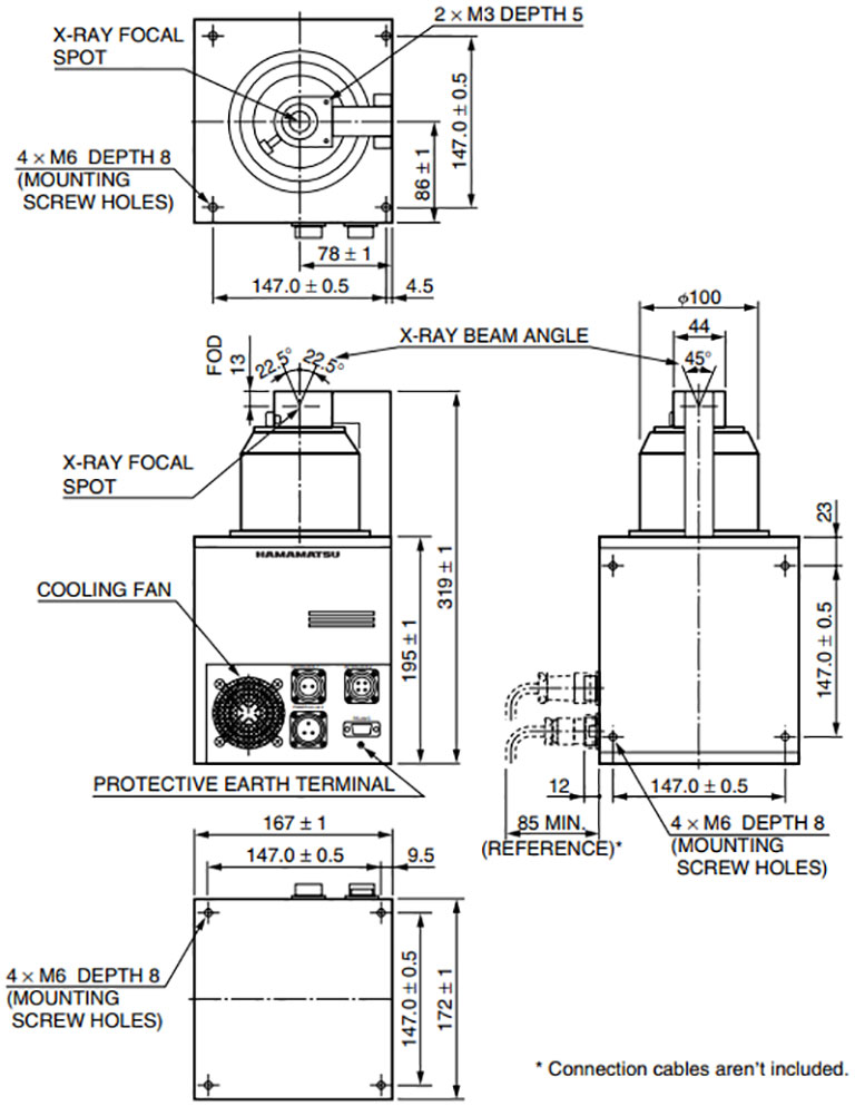
管电压130 kV
类型密封型
管电压工作范围40 至 130 kV
最大输出39 W
X 射线焦点尺寸(4W 时)5 μm
X 射线光束角度(锥角)45 度
焦点至物体距离 (FOD)13 mm

外形尺寸图(单位:mm)

电话:0755-84690029;电话:13682357734;邮箱:2844337877@qq.com;QQ:2844337877

常见问题

粤ICP备15077436号