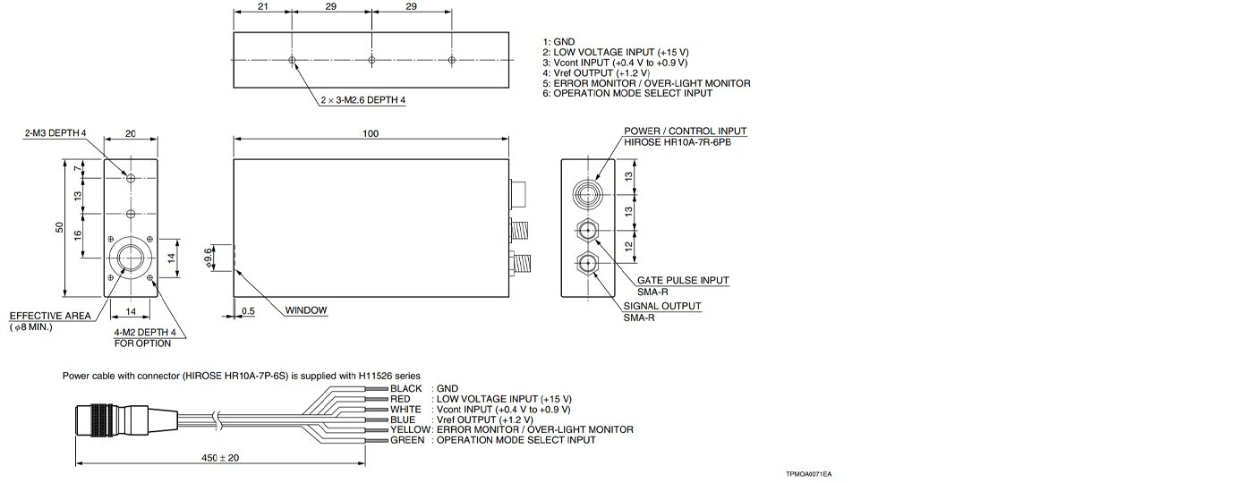
HAMAMATSU滨松 H11526-01 光电倍增管模块
| 光阴极面区域形状 | 圆形 |
|---|---|
| 光阴极面区域尺寸 | 8 mm 直径 |
| 波长(短) | 230 nm |
| 波长(长) | 870 nm |
| 波长(峰值) | 400 nm |
| 尺寸 (W x H x D) | 20.0 x 50.0 x 100.0 mm |
| 输入电压 | +14.5 至 +15.5 V |
| 最大值 输入电压 | 16 V |
| 最大值 输入电流 | 60 mA |
| 最大值 输出信号电流 | 100 μA |
| 最大值 控制电压 | +0.9(输入阻抗 10 k Ω)V |
| 建议的控制电压调节范围 | +0.4 至 +0.9(输入阻抗 10 k Ω)V |
| [Cathode] 亮度灵敏度最小值 | 100 μA/lm |
| [Cathode] 亮度灵敏度典型值 | 200 μA/lm |
| [Cathode] 红白比典型值 | 0.2 |
| [Cathode] 辐射灵敏度典型值 | 77 mA/W |
| [Anode] 亮度灵敏度最小值 | 100 A/lm |
| [Anode] 亮度灵敏度典型值 | 400 A/lm |
| [Anode] 辐射灵敏度典型值 | 1.5 x 105 A/W |
| [Anode] 暗电流(30 分钟后) 典型值 | 1 nA |
| [Anode] 暗电流(30 分钟后) 最大值 | 10 nA |
| [Time Response] 上升时间典型值 | 0.57 ns |
| 波纹噪声(峰间)最大值 | 5 mV |
| 建立时间最大值 | 2 s |
| 工作环境温度 | +5 至 +45 °C |
| 储存温度 | -20 至 +50 °C |
| 重量 | 105 g |


电话:0755-84690029;电话:13682357734;邮箱:2844337877@qq.com;QQ:2844337877