LELMAC雷马克 IFR-130R 无影环形照明

| 模型 | IFR-130DW | IFR-130R | IFR-130B | IFR-130G |
|---|---|---|---|---|
| 产品编号 | 115-028 | 115-020 | 115-027 | 115-026 |
| 发光颜色 | ![]() | ![]() | ![]() | ![]() |
| 色温/峰值波长 | 7000K 典型值 | 660nm(典型值) | 470nm(典型值) | 525nm(典型值) |
| 输入电压 | 直流12V | |||
| 能量消耗 | 5.4W | 3.6W | 5.4W | 5.4W |
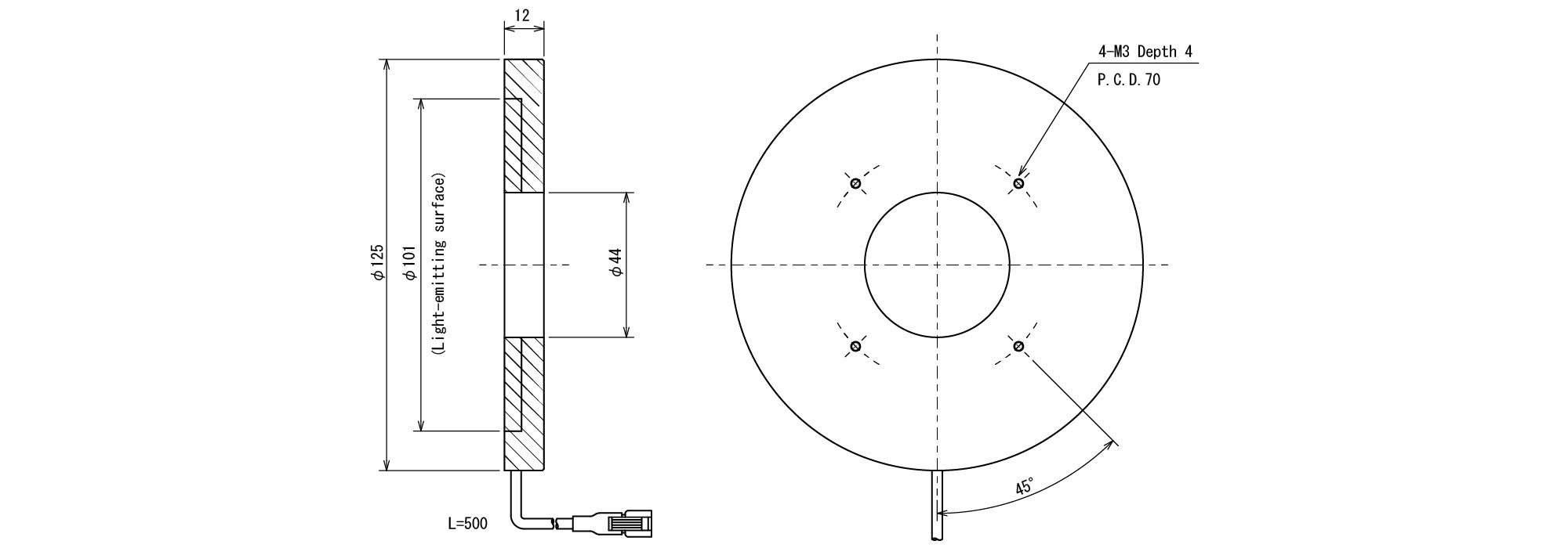
| 电缆长度 | 500毫米 | |||
| 输入连接器 | SM连接器(SMR-02V-B) | |||
| 极性 | 1:+ 2:- | |||
| 工作温度 | 0~+40℃ | |||
| 工作湿度 | 35~85%(非凝结) | |||
| 大量的 | 170克 | |||
电话:0755-84690029;电话:13682357734;邮箱:2844337877@qq.com;QQ:2844337877