LELMAC雷马克 IDBA-C11/14BS-H21 酒吧照明

| 模型 | IDBA-C11/14DWS-H21 | IDBA-C11/14DRS-H21 | IDBA-C11/14RS-H21 | IDBA-C11/14BS-H21 | IDBA-C11/14GS-H21 |
|---|---|---|---|---|---|
| 产品编号 | 260-662 | 260-665 | 260-011 | 260-015 | 260-663 |
| 发光颜色 | ![]() | ![]() | ![]() | ![]() | ![]() |
| 色温/峰值波长 | 7000K 典型值 | 635nm(典型值) | 660nm(典型值) | 470nm(典型值) | 525nm(典型值) |
| 输入电压 | 直流12V | ||||
| 能量消耗 | 0.4W | 0.3W | 0.3W | 0.4W | 0.4W |
| SAG设定值 | FF | C5 | 6D | FF | FF |
| 电缆长度 | 500毫米 | ||||
| 输入连接器 | SM连接器(SMR-02V-B) | ||||
| 极性 | 1:+ 2:- | ||||
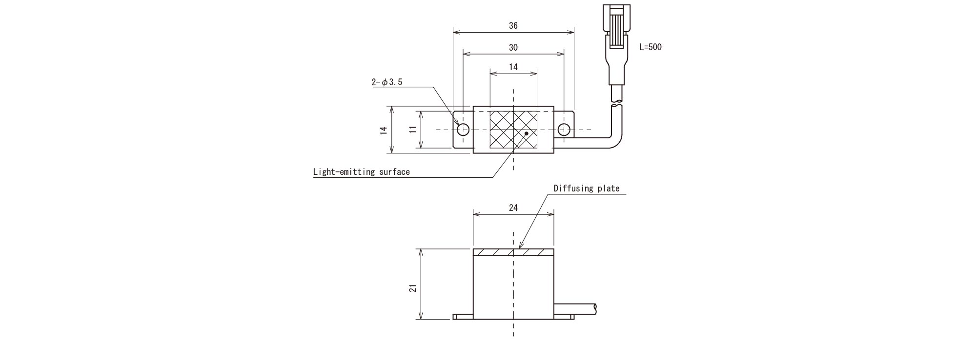
| 外部尺寸(高/宽/深) | 21毫米/36毫米/14毫米 | ||||
| 工作温度 | 0~+40℃ | ||||
| 工作湿度 | 35-85%(非冷凝) | ||||
| 大量的 | 20克 | ||||
电话:0755-84690029;电话:13682357734;邮箱:2844337877@qq.com;QQ:2844337877