清和CORRECT   SRM-CT55□	■R 多位置环形照明(半分体)
  • 清和CORRECT   SRM-CT55□	■R 多位置环形照明(半分体)

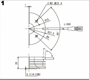
清和CORRECT SRM-CT55□ ■R 多位置环形照明(半分体)

马上咨询
客服电话 13682357734

清和CORRECT   SRM-CT55□        ■R 多位置环形照明(半分体)

模型发光颜色功耗(瓦)输入电压凹陷(※)方面
SRM-CT55□■R
■W
■B
2.8
3.3
3.3
直流12VB6
A3
8C
1
SRM-CT80□■R
■W
■B
6
6.6
6.6
直流12V8C
8E
78
2
SRM-CT110□■R
■W
■B
8
9.3
9.3
直流12V92
88
7A
3
SRM-CT130□■R
■W
■B
10
11.5
11.5
直流12V8E
87
7B
SRM-CT160□■R
■W
■B
12.5
14
14
直流12V91
8D
7A
SRM-CT200□■R
■W
■B
16
17.5
17.5
直流12V99
96
82
6

电话:0755-84690029;电话:13682357734;邮箱:2844337877@qq.com;QQ:2844337877

常见问题

粤ICP备15077436号