LELMAC雷马克 IFR-130BHV 无影环形照明

| 模型 | IFR-130WHV | IFR-130RHV | IFR-130BHV | IFR-130GHV |
|---|---|---|---|---|
| 产品编号 | 115-191 | 115-190 | 115-192 | 115-193 |
| 发光颜色 | ![]() | ![]() | ![]() | ![]() |
| 色温/峰值波长 | 7000K 典型值 | 660nm(典型值) | 470nm(典型值) | 525nm(典型值) |
| 输入电压 | 直流24V | |||
| 能量消耗 | 5.4W | 4.4W | 5.4W | 5.4W |
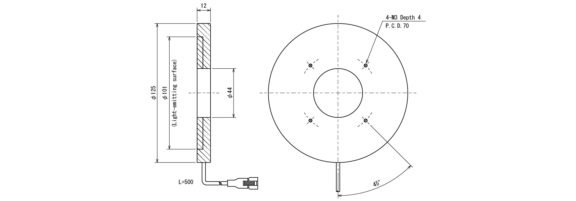
| 电缆长度 | 500毫米 | |||
| 输入连接器 | SM连接器(SMR-03V-B) | |||
| 极性 | 1:+ 2:NC 3:- | |||
| 工作温度 | 0~+40℃ | |||
| 工作湿度 | 35~70%(非凝结) | |||
| 大量的 | 170克 | |||
电话:0755-84690029;电话:13682357734;邮箱:2844337877@qq.com;QQ:2844337877