LELMAC雷马克 IDBB-CH75L-UV-385 配备高输出 UV_LED 的荧光激发照明

| 模型 | IDBB-CH75L-UV-365 | IDBB-CH75L-UV-375 | IDBB-CH75L-UV-385 | IDBB-CH75L-UV-395 | IDBB-CH75L-UV-405 |
|---|---|---|---|---|---|
| 产品编号 | 248-001 | 248-101 | 248-201 | 248-301 | 248-401 |
| 发光颜色 | ![]() | ||||
| 色温/峰值波长 | 365nm(典型值) | 375nm(典型值) | 385nm(典型值) | 395nm(典型值) | 405nm(典型值) |
| 输入电压 | 直流24V | ||||
| 能量消耗 | 7.5W | ||||
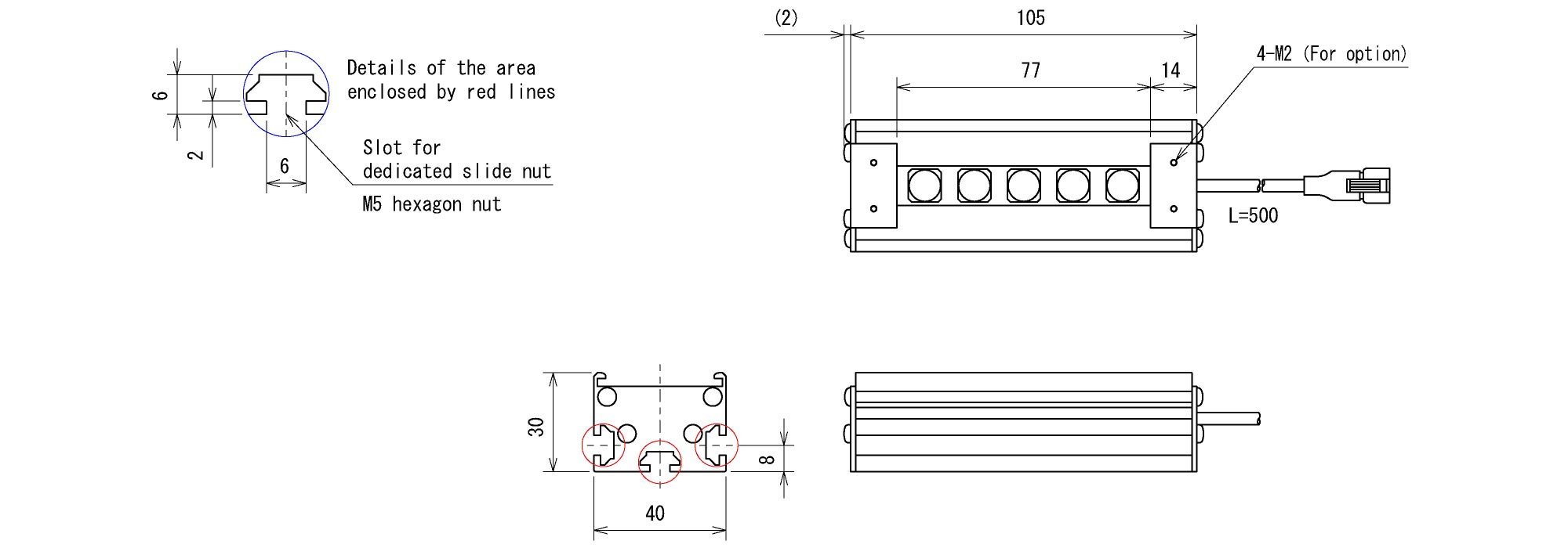
| 电缆长度 | 500毫米 | ||||
| 输入连接器 | SM连接器(SMR-03V-B) | ||||
| 极性 | 1:+ 2:NC 3:- | ||||
| 工作温度 | 0~+40℃ | ||||
| 工作湿度 | 35-85%(非冷凝) | ||||
| 大量的 | 165克 | ||||
电话:0755-84690029;电话:13682357734;邮箱:2844337877@qq.com;QQ:2844337877