HAMAMATSU滨松 C15711-02 FDSS-GX 动态板成像仪
分配准确性和可重复性是进行分析的重要因素。
FDSS-GX 通过采用能够分配可变体积的 1536 通道分配装置,实现了高精度和可重复的微量分配。该分配装置具有专用于 FDSS-GX 的独立金属活塞缸和分配头。
还提供 96 通道和 384 通道的分配装置。

分配装置(1536 孔类型)A15623-28

用于 FDSS-GX A8687-82 的 1536 黑色吸头(10 个支架)
下图显示了将 B 珠分配到 1536 微孔板(5 µL/孔)中时荧光强度随时间和板图像的变化,显示分配后的 CV 为 1.89%。
1536 通道分配装置带有独立的金属活塞缸和专用于 FDSS 的分配头,提供最佳的分配性能。
*这是使用经过检修或校准的 1536 通道分配装置和专用于 FDSS-GX 的分配头分配 B 珠(5 µL/孔)时的实际测量值。

高灵敏度 qCMOS 传感器是 FDSS-GX 光学系统的标准配置。
在荧光和发光测量中,低光成像实现了高定量性能,并且由于传感器的宽动态范围,检测窗口已经扩大,从而实现了宽线性范围的测量。
此外,由于传感器尺寸大,qCMOS 传感器可以对整个板进行成像,并实现高分辨率测量。
在荧光测定中,FDSS-GX 能够检测 0.03 nM 荧光素*(曝光时间:50 ms)。
下图显示了荧光素滴定浓度的荧光计数和信噪比,图像显示了 384 微孔板。
* 这是实际测量值。
荧光素浓度与 RFU

信噪比

微孔板图像
(384 微孔板)

在发光测量中,根据计算,FDSS-GX 能够检测到 3.9 fg 荧光素酶*(曝光时间:5 秒)。
下图显示了荧光素酶滴定浓度的发光计数,图像显示了 384 微孔板。
* 这是根据以下测量数据计算的理论值。
荧光素酶(pg/孔)与 RLU

微孔板图像
(384 微孔板)

由于传感器尺寸大,qCMOS 传感器可以对整个板进行成像,并实现高分辨率测量。
(1536 板,样品:B 珠)

FDSS-GX 包括高精度荧光光学系统,采用内部开发的大功率、长寿命氙光源。氙光源与专用二向色镜/光学滤光片相结合,可使用 UV 至 IR 范围内的各种荧光染料进行测量。
有关详细信息,请参阅下表。
落射荧光光学系统

| 激发滤波器 1 | 激发滤波器 2 | 短通滤波器 | 二向色镜 | 发光滤波器 1 | 发光滤波器 2 | |
|---|---|---|---|---|---|---|
| 用户用途 | ||||||
| Fura-2 (Ca2+) | 340 nm* | 387 nm* | SPF 495 | UV* | 520 nm ~ 560 nm | - |
| SBFI (Na+) | 340 nm* | 387 nm* | SPF 495 | UV* | 520 nm ~ 560 nm | - |
| PBFI (K+) | 340 nm* | 387 nm* | SPF 495 | UV* | 520 nm ~ 560 nm | - |
| MQAE,diH-MEQ (CI-) | 387 nm* | - | SPF 495 | UV* | 440 nm ~ 470 nm* | - |
| DAPI (DNA) | 387 nm* | - | SPF 495 | UV* | 440 nm ~ 470 nm* | - |
| Hoechst33258 | 387 nm* | - | SPF 495 | UV* | 440 nm ~ 470 nm* | - |
| VSP-1 | 387 nm* | - | SPF 400* | 用于 VSP* | 466 nm* | 560 nm* |
| CFP/YFP | 438 nm* | - | SPF 450* | 用于 C/Y* | 483 nm* | 542 nm* |
| HYPER | 425 nm* | 483 nm* | SPF 495 | 用于 HYPER* | 520 nm ~ 560 nm | - |
| Fluo-8 (Ca2+) | 472 nm | - | SPF 495 | B | 520 nm ~ 560 nm | - |
| Cal-520 (Ca2+) | 472 nm | - | SPF 495 | B | 520 nm ~ 560 nm | - |
| Sodium Green (Na+) | 472 nm | - | SPF 495 | B | 520 nm ~ 560 nm | - |
| FluxOR (K+) | 472 nm | - | SPF 495 | B | 520 nm ~ 560 nm | - |
| BCECF (pH) | 472 nm | - | SPF 495 | B | 520 nm ~ 560 nm | - |
| FluoVolt | 472 nm | - | SPF 495 | B | 520 nm ~ 560 nm | - |
| GFP | 472 nm | - | SPF 495 | B | 520 nm ~ 560 nm | - |
| FITC | 472 nm | - | SPF 495 | B | 520 nm ~ 560 nm | - |
| YFP | 472 nm | - | SPF 495 | 用于 YFP* | 520 nm ~ 560 nm | - |
| JC-1 | 531 nm | - | SPF 550 | 用于 JC-1* | 593 nm | - |
| CoroNa Red (Na+) | 531 nm | - | SPF 550 | 用于 FMP | 593 nm | - |
| FMP | 531 nm | - | SPF 550 | 用于 FMP | 593 nm | - |
| Cal-590 (Ca2+) | 531 nm | - | SPF 550 | 用于 FMP | 593 nm | - |
| Rhodamine | 531 nm | - | SPF 550 | 用于 FMP | 593 nm | - |
| Cal-630 (Ca2+) | 605 nm* | - | SPF 630* | 用于 RED* | 676 nm* | - |
| Nano-BRET | - | - | - | - | 461 nm* | 647 nm* |
*:选项
上表中的波长值可能不对应于每个用途的典型激发/发光波长。
根据用途,我们提供适用于 FDSS-GX 光学系统的滤波器组。请联系您的滨松代表了解更多信息。
FDSS-GX 可以通过前后两条传输线自动传输化验板和化合物板。此外,带有大容量盒的堆板装置可容纳多达 20 个微孔板,可用于无机器人半自动化。
FDSS-GX 内部布局

堆板装置

使用 Fluo-8 AM 染色的 CHO 细胞评估 ATP 剂量反应


*可使用 Tl+ 进行钾离子通道筛选。
使用 FluxOR 在 CHO 细胞中进行 K+ 测定

使用 FRET 型电压敏感染料 (VSP) 评估 Nav 1.5-CHO 细胞


使用 iPS 细胞衍生的心肌细胞进行 Ca2+ 瞬时和膜电位测量


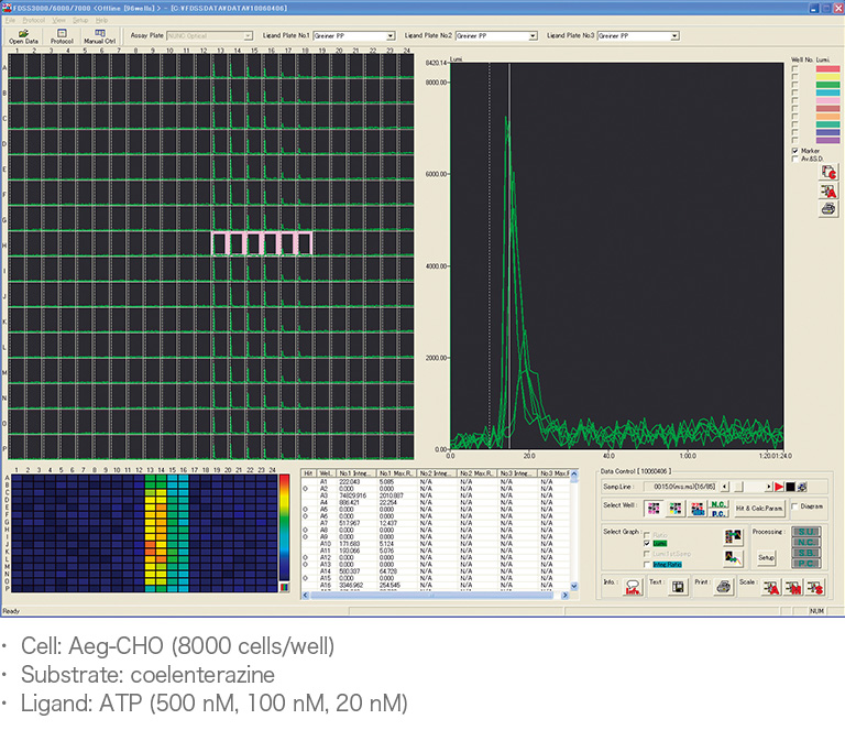
使用表达水母发光蛋白的细胞系通过发光进行细胞内 Ca2+ 测定

使用表达水母蛋白的细胞进行 Ca2+ 测定

使用 CHO 细胞进行 BRET 测定

β-抑制蛋白 BRET1- 测定原理

Rluc - D2s 受体和 eYFP - β-抑制蛋白 2 在 CHO 细胞中表达,并检测到加入配体后细胞中出现了 Rluc 和 EYFP BRET。
使用 GloSensor 进行 cAMP 评估

使用表达 GloSensor (Promega) 的 HUVEC 分析 cAMP 的时程

使用 CytoTox-Glo 细胞毒性测定法评估细胞数量


| 分配装置 | 1536 孔类型 A15623-28 | 1 μL 至 5 μL |
|---|---|---|
| 384 孔类型 A10118-26 | 1 μL 至 30 μL | |
| 96 孔类型 A10118-24 | 10 μL 至 200 μL | |
| 荧光和发光探测器 | 专用于 FDSS 的滨松 qCMOS 传感器 | |
| 采样数据点数量 | 1 至 50000 次采样 | |
| 采样率 | 最低 10 Hz(每秒 10 个数据点) 最高 120 Hz(每秒 120 个数据点)* | |
| 采样间隔 | 最少 0.1 秒 最少 0.0083 秒* | |
| 激发光源 | 氙气灯 可以选择滤光片 | |
| 板抖动功能 | 256 步长可调 每分钟转数:0~3000 rpm | |
| 加热器装置 | 温度控制部件 | FDSS-GX 主装置室(整个上半部分) |
| 可配置温度 | 最高 +40 ºC | |
| 吸头装载 | 使用自动吸头装载器 A15623-07 | |
| 板装载线数 | 前装载机 × 1 后装载机 × 1 | |
| 板位数 | 测定板 | 前装载机 × 1 |
| 复合板 | 后装载机×1,复合板级(手动交换)× 3 | |
| 吸头清洗器位置数 | 最多 3 个装置(具有/不具有大功率超声功能的总和,深容器) | |
| 分配装置位置数 | 最多 2 个装置(仅限相同吸头类型) | |
| 兼容的分配头 | 专用于 FDSS、A8687 系列的 1536/384/96 黑色吸头 一次性类型 | |
| 兼容微孔板 | 透明底部黑色 1536/384/96 板 SBS 格式高度至少 10 mm | |
| 电源规格 | 单相交流 100 V ~ 240 V,50 Hz/60 Hz | |
| 功耗 | C15711-02:约 3115 VA | |
| C7903-13:约 660 W | ||
| 所需供电线路:15 A × 3 线 | ||
| 环境工作温度 | +15°C 至 30°C | |
| 尺寸/重量 | 主机 | 1437 (W) × 850 (D) × 1467 (H) mm/约 320 kg |
| 数据分析装置 | 570 (W) × 880 (D) × 943 (H) mm/约 82 kg | |
| 堆板装置 | 437 (W) × 580 (D) × 1340 (H) mm/约 36 kg | |
| 清洗架 | 616 (W) × 924 (D) × 1038 (H) mm/约 19 kg | |
| 循环水冷却器 | 222 (W) × 386 (D) × 649 (H) mm/约 26 kg | |
| 自动吸头装载器 | 233 (W) × 289 (D) × 447 (H) mm/约 21 kg | |
* 使用 FDSS 软件选项时 高速采集选件 U8524-11

电话:0755-84690029;电话:13682357734;邮箱:2844337877@qq.com;QQ:2844337877