产品特点:
◆高放大倍率微距成像
工作距离范围涵盖47 mm~412 mm,适用各种高精度近距离 检测应用。
◆高分辨率大靶面设计
全场分辨率可达145 lp/mm,适用于像元尺寸3.45 μm及以上, 芯片尺寸≤1.2"(Ø19.3 mm)。
◆低畸变设计
全系列的TV畸变<0.1%,最小TV畸变<0.02%。
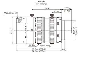
型号说明:

| 型号 | OPT-CCD2528 |
|---|---|
| 焦距(mm) | 25 |
| 后焦距(mm) | 15.28 |
| 工作距离(mm) | 54~240 |
| 光圈范围 | F2.8~F16 |
| 靶面Φ(mm) | 19.3 (1.2") |
| TV畸变(%) | <0.02% at 0.40X | <0.02% at 0.16X | <0.05% at 0.07X |
| 主光线角 | <12.13° |
| 重量(kg) | 0.12 |
| 滤镜螺纹 | M30.5×0.5-6H |
| 像方分辨率(μm) | 3.45 |
| 镜头类型 | 定焦 |
手机/微信:13682357734 电话:0755-84690029 QQ: 2844337877 邮箱:2844337877@qq.com