LELMAC雷马克 IDR-LA74/48G 低角度直射环形照明

| 模型 | IDR-LA74/48DW | IDR-LA74/48DR | IDR-LA74/48R | IDR-LA74/48B | IDR-LA74/48G | IDR-LA74/48 AIR-850 |
|---|---|---|---|---|---|---|
| 产品编号 | 112-584 | 112-585 | 112-070 | 112-078 | 112-344 | 112-588 |
| 发光颜色 | ![]() | ![]() | ![]() | ![]() | ![]() | ![]() |
| 色温/峰值波长 | 7000K 典型值 | 635nm(典型值) | 660nm(典型值) | 470nm(典型值) | 525nm(典型值) | 850nm(典型值) |
| 输入电压 | 直流12V | |||||
| 能量消耗 | 5.4W | 5.4W | 3.6W | 5.4W | 5.4W | 3.6W |
| SAG设定值 | FF | C8 | 70 | FF | FF | FF |
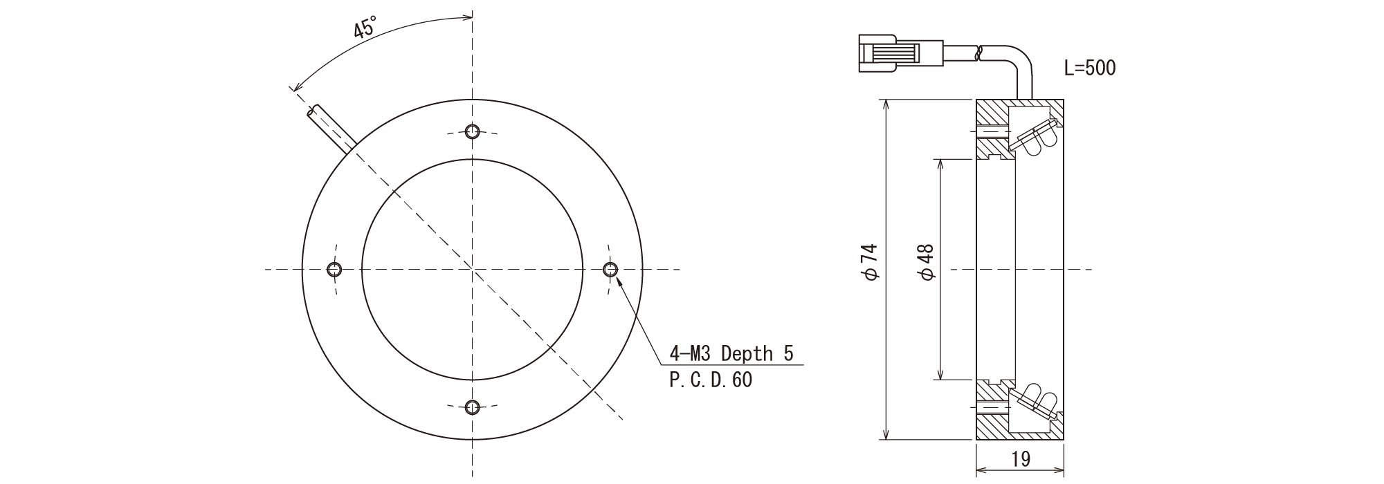
| 电缆长度 | 500毫米 | |||||
| 输入连接器 | SM连接器(SMR-02V-B) | |||||
| 极性 | 1:+ 2:- | |||||
| 工作温度 | 0~+40℃ | |||||
| 工作湿度 | 35-85%(非冷凝) | |||||
| 大量的 | 50克 | |||||
电话:0755-84690029;电话:13682357734;邮箱:2844337877@qq.com;QQ:2844337877