LELMAC雷马克 IMAR-CT55DB 多位置环形照明

| 模型 | IMAR-CT55DW | IMAR-CT55DR | IMAR-CT55DB |
|---|---|---|---|
| 产品编号 | 129-000 | 129-001 | 129-002 |
| 发光颜色 | ![]() | ![]() | ![]() |
| 色温/峰值波长 | 6500K 典型值 | 630nm(典型值) | 465nm(典型值) |
| 输入电压 | 直流12V | ||
| 能量消耗 | 3.3W | 2.8W | 3.3W |
| SAG设定值 | A3 | B6 | 8C |
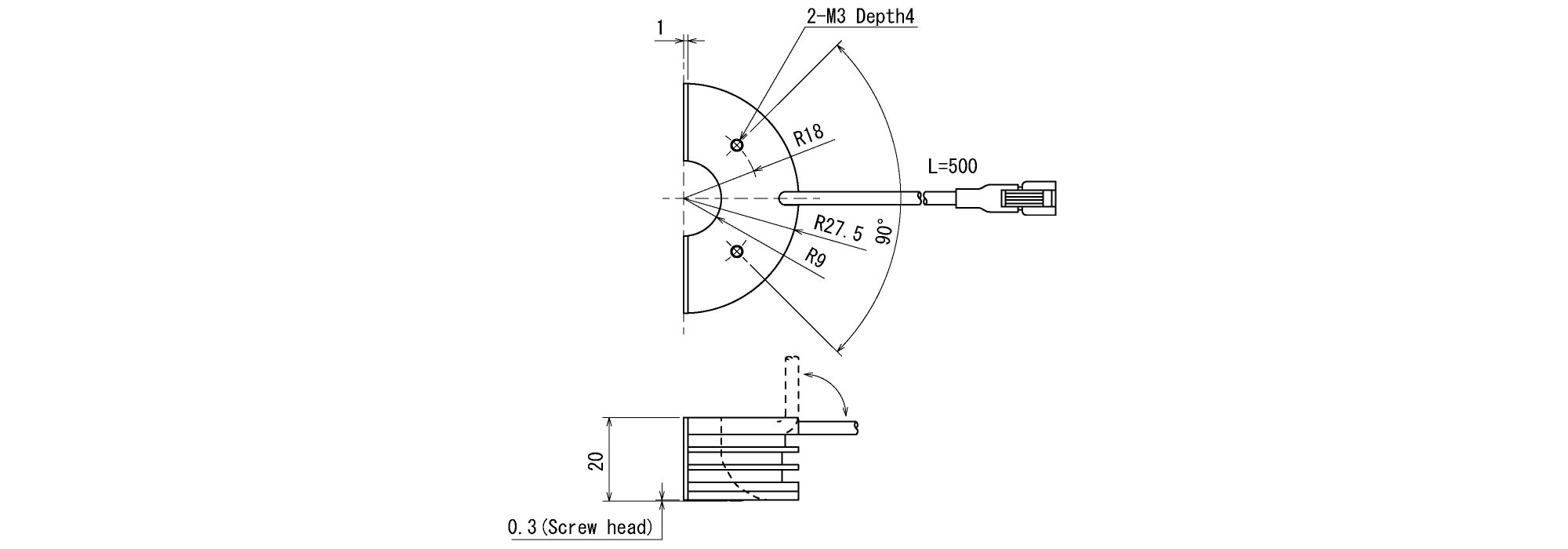
| 电缆长度 | 500毫米 | ||
| 输入连接器 | SM连接器(SMR-02V-B) | ||
| 极性 | 1:+ 2:- | ||
| 工作温度 | 0~+40℃ | ||
| 工作湿度 | 35~85%(非凝结) | ||
| 大量的 | 40克 | ||
电话:0755-84690029;电话:13682357734;邮箱:2844337877@qq.com;QQ:2844337877