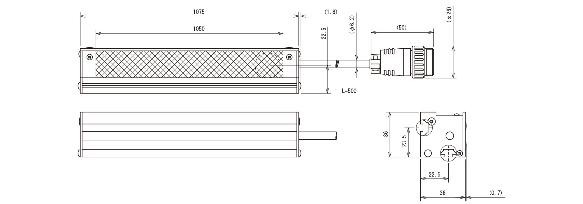
LELMAC雷马克 IDBA-LEH1050S-AIR-850HV 线条照明

| 模型 | IDBA-LEH1050S-WHV | IDBA-LEH1050S-RHV | IDBA-LEH1050S-BHV | IDBA-LEH1050S-AIR-850HV |
|---|---|---|---|---|
| 产品编号 | 191-075 | 191-076 | 191-077 | 191-078 |
| 发光颜色 | ![]() | ![]() | ![]() | ![]() |
| 色温/峰值波长 | 4900K 典型值 | 635nm(典型值) | 465nm(典型值) | 850nm(典型值) |
| 输入电压 | 直流24V | |||
| 能量消耗 | 91W | 98W | ||
| 电缆长度 | 500毫米 | |||
| 输入连接器 | 金属连接器 | |||
| 极性 | – | |||
| 工作温度 | 0~+40℃ | |||
| 工作湿度 | 35-85%(非冷凝) | |||
| 大量的 | 1890克 | |||
电话:0755-84690029;电话:13682357734;邮箱:2844337877@qq.com;QQ:2844337877