OPT   奥普特      OPT-CFLG486240 -UV       水冷光源
  • OPT   奥普特      OPT-CFLG486240 -UV       水冷光源

OPT 奥普特 OPT-CFLG486240 -UV 水冷光源

马上咨询
客服电话 13682357734

OPT   奥普特      OPT-CFLG486240 -UV       水冷光源


产品特点:

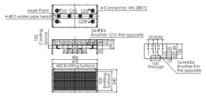
◆采用大功率LED紧密排布,发光均匀。

◆采用水冷方式散热,散热效果极佳。

◆光源整体采用铝合金设计,重量轻,结构稳固、可靠。

◆适用于无尘环境和对气流气压有特殊要求的使用环境。


应用领域:

◆钢板裂痕检测

◆孔洞瑕疵检测

特殊定制


剖面结构




手机/微信:13682357734   电话:0755-84690029       QQ: 2844337877        邮箱:2844337877@qq.com

常见问题

粤ICP备15077436号