清和CORRECT  SHMV-25-30□  窄角分布背光面照明
  • 清和CORRECT  SHMV-25-30□  窄角分布背光面照明

清和CORRECT SHMV-25-30□ 窄角分布背光面照明

马上咨询
客服电话 13682357734

清和CORRECT  SHMV-25-30□  窄角分布背光面照明

模型发光颜色功耗(瓦)输入电压凹陷(※)方面
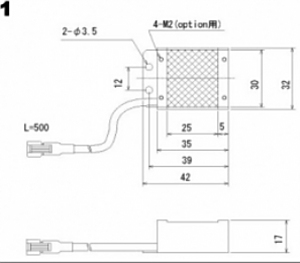
SHMV-25-30□■R
■W
■B
■IR850
■IR950
2直流12V9A
F9
98
E3
1
SHMV-66-60□■R
■W
■B
■IR850
■IR950
7.5直流12VF5
FF
B3
FF
FF
2
SHMV-108-114□■R
■W
■B
■IR850
■IR950
14.7直流12VFF
FF
FF
FF
3
SHMV-150-42□■R
■W
■B
■IR850
■IR950
24直流12VFF
CF
D0
E5
SHMV-214-226□-24V■R
■W
■B
■IR850
■IR950
47直流24V-

电话:0755-84690029;电话:13682357734;邮箱:2844337877@qq.com;QQ:2844337877

常见问题

粤ICP备15077436号