Shimatec仕玛铁 SF2-25100RLGB 全彩条形照明
| 材料 | 铝 |
| 电缆长度 | 2m *使用延长电缆时,长度变为0.2m。您还可以选择长度。 |
| 电缆类型 | 机器人电缆AWG22(2芯,外径4.7mm) |
| 使用通道数 | 3通道 |
| 使用环境 | 温度0~40℃,湿度20~87%RH(无凝露) |
| 冷却方式 | 自然冷却 |
| 输入电压 | 直流24V |
| 最大推荐电流值 | 3色共0.42A |
| 连接器 | VHR-3M(日本压力公司制造) *使用延长电缆时,变为SMR-02V-B(日本压力公司制造)。 |
| 极性 | 1 针:+(芯线粉色) 2 针:NC 3 针:-(芯线蓝色) * 每种颜色各 1 个,共 3 个。 |
| 大量的 | 300克 |
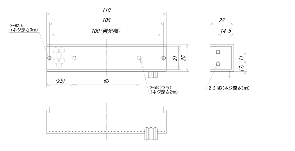
| 尺寸 | 长110mm×宽25mm×高22mm |

电话:0755-84690029;电话:13682357734;邮箱:2844337877@qq.com;QQ:2844337877