LELMAC雷马克 IDBA-SE200W B'C 线条照明

| 模型 | IDBA-SE200W | IDBA-SE200R | IDBA-SE200B |
|---|---|---|---|
| 产品编号 | 205-104 | 205-204 | 205-304 |
| 发光颜色 | ![]() | ![]() | ![]() |
| 输入电压 | 直流12V | ||
| 能量消耗 | 14.0W | ||
| SAG设定值 | A9 | E0 | 交流电 |
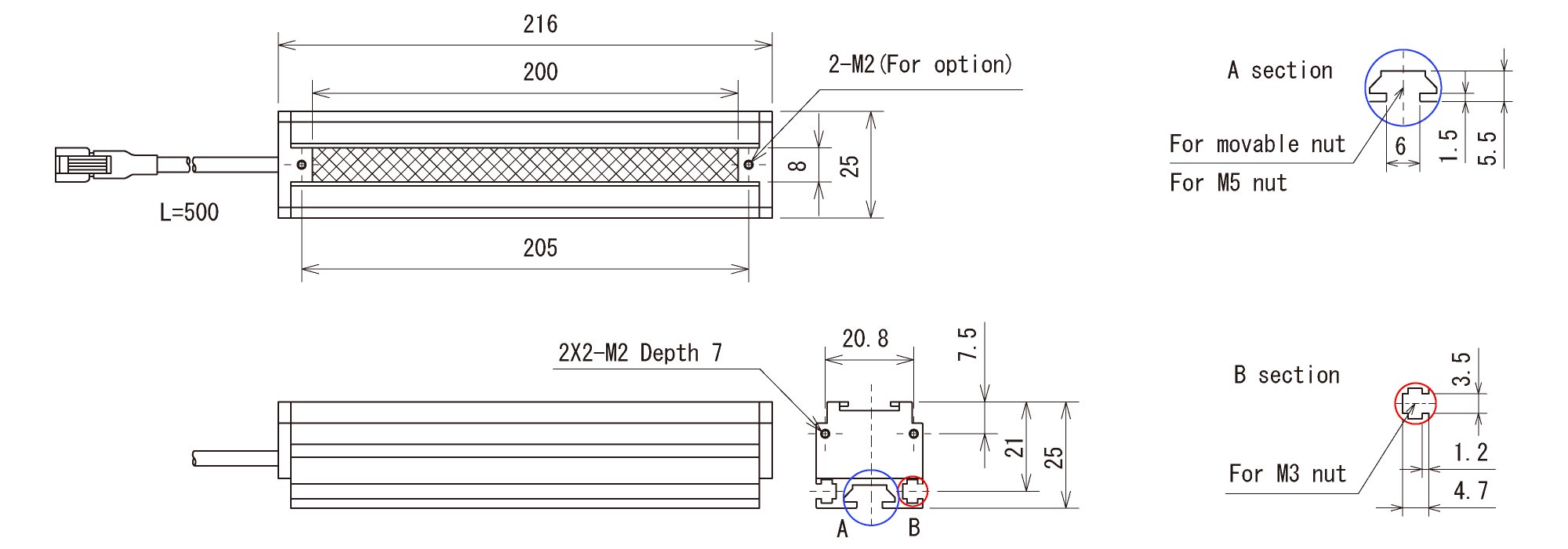
| 电缆长度 | 500毫米 | ||
| 输入连接器 | SM连接器(SMR-02V-B) | ||
| 极性 | 1:+ 2:- | ||
| 工作温度 | 0~+40℃ | ||
| 工作湿度 | 35~85%(非凝结) | ||
| 大量的 | 210克 | ||
电话:0755-84690029;电话:13682357734;邮箱:2844337877@qq.com;QQ:2844337877