LELMAC雷马克 IFVB-20G 窄角配光准同轴落射照明

| 模型 | IFVB-20W | IFVB-20R | IFVB-20B | IFVB-20G |
|---|---|---|---|---|
| 产品编号 | 378-500 | 378-501 | 378-502 | 378-503 |
| 发光颜色 | ![]() | ![]() | ![]() | ![]() |
| 色温/峰值波长 | – | 634nm(典型值) | 465nm(典型值) | 520nm(典型值) |
| 输入电压 | 直流12V | |||
| 能量消耗 | 4.2W | 4W | ||
| SAG设定值 | FF | |||
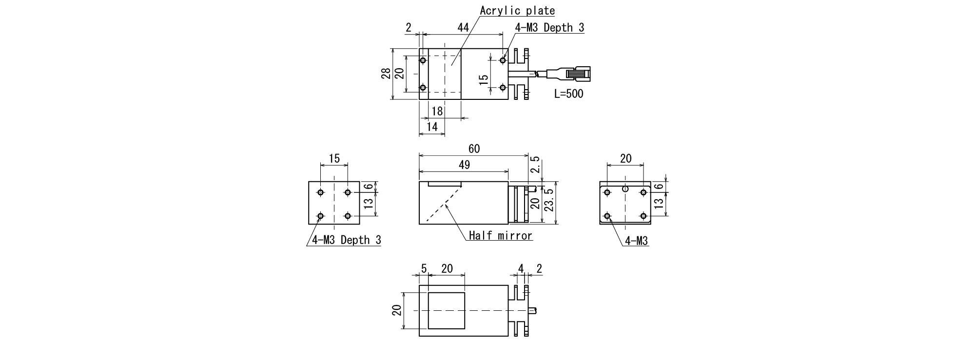
| 电缆长度 | 500毫米 | |||
| 输入连接器 | SM连接器(SMR-02V-B) | |||
| 极性 | 1:+ 2:- | |||
| 工作温度 | 0~+40℃ | |||
| 工作湿度 | 35~85%(非凝结) | |||
| 大量的 | 70克 | |||
电话:0755-84690029;电话:13682357734;邮箱:2844337877@qq.com;QQ:2844337877