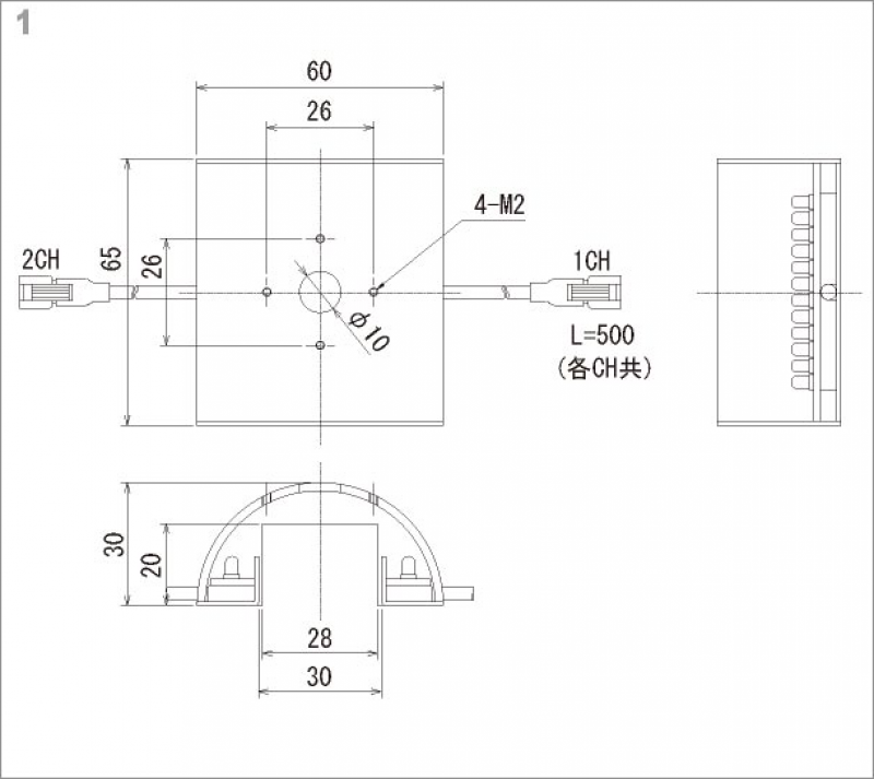
清和CORRECT SHP-K60/65W 半管照明
| 模型 | 发光颜色 | 功耗(瓦) | 输入电压 | 方面 |
|---|---|---|---|---|
| SHP-K60/65W | ■W | 1.6 *2通道0.8W/通道 | 直流12V | 1 |
| SHPH-K150/175W | ■W | 38 *2路19W/路 | 直流12V | 2 |
| SHPH-K320/350W-24V | ■W | 70 *2路35W/路 | 直流24V | |
| SHPH-K320/350RGB | 全彩 ■R ■G ■B | 78 *2ch RGB 每个 13W/ch | 直流12V |


电话:0755-84690029;电话:13682357734;邮箱:2844337877@qq.com;QQ:2844337877