LELMAC雷马克 IDBB-SE400W B'C 线条照明

| 模型 | IDBB-SE400W | IDBB-SE400R | IDBB-SE400B |
|---|---|---|---|
| 产品编号 | 303-108 | 303-208 | 303-308 |
| 发光颜色 | ![]() | ![]() | ![]() |
| 色温/峰值波长 | 6200K 典型值 | 635nm(典型值) | 465nm(典型值) |
| 输入电压 | 直流12V | ||
| 能量消耗 | 28W | ||
| SAG设定值 | A7 | A.E. | A9 |
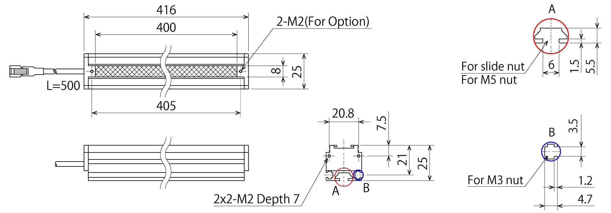
| 电缆长度 | 500毫米 | ||
| 输入连接器 | SM连接器(SMR-02V-B) | ||
| 极性 | 1:+ 2:- | ||
| 工作温度 | 0~+40℃ | ||
| 工作湿度 | 35-85%(非冷凝) | ||
| 大量的 | 420克 | ||
电话:0755-84690029;电话:13682357734;邮箱:2844337877@qq.com;QQ:2844337877