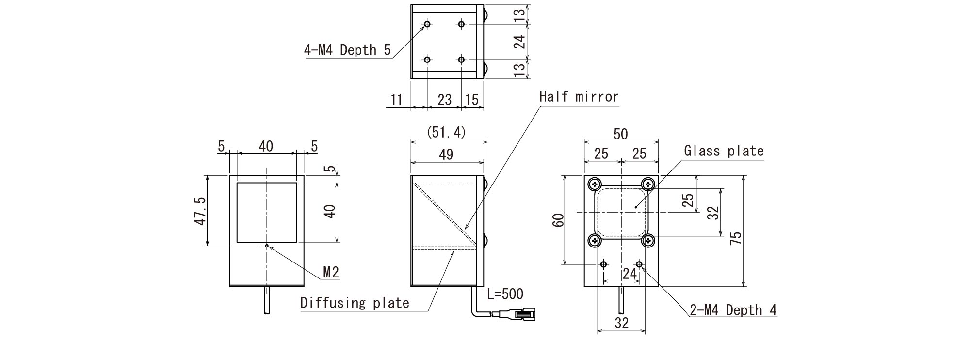
LELMAC雷马克 IFV-C40BHV 准同轴落射照明

| 模型 | IFV-C40WHV | IFV-C40DRHV | IFV-C40RHV | IFV-C40BHV | IFV-C40GHV | IFV-C40 AIRHV-850 |
|---|---|---|---|---|---|---|
| 产品编号 | 331-635 | 331-599 | 331-633 | 331-637 | 331-718 | 331-608 |
| 发光颜色 | ![]() | ![]() | ![]() | ![]() | ![]() | ![]() |
| 色温/峰值波长 | 7000K 典型值 | 635nm(典型值) | 660nm(典型值) | 470nm(典型值) | 525nm(典型值) | 850nm(典型值) |
| 输入电压 | 直流24V | |||||
| 功耗 | 2.9W | 3.6W | 2.4W | 2.9W | 2.9W | 2.4W |
| 电缆长度 | 500毫米 | |||||
| 输入连接器 | SM连接器(SMR-03V-B) | |||||
| 极性 | 1:+ 2:NC 3:- | |||||
| 工作温度 | 0~+40℃ | |||||
| 工作湿度 | 35-70%(非冷凝) | |||||
| 大量的 | 170克 | |||||
电话:0755-84690029;电话:13682357734;邮箱:2844337877@qq.com;QQ:2844337877