OPT   奥普特     LIT47632-W   条形光源
  • OPT   奥普特     LIT47632-W   条形光源

OPT 奥普特 LIT47632-W 条形光源

马上咨询
客服电话 13682357734

OPT   奥普特     LIT47632-W   条形光源


产品特点:
◆隐藏LED颗粒,可作面光使用。
◆安装灵活,可端面螺纹安装,可槽内放入螺母安装。
◆尺寸定制灵活,长度可达2000mm。


应用领域:

◆电子元件识别与检测
◆服装纺织、食品包装检测
◆印刷品质量检测、灯箱照明

◆家用电器外壳检测

型号LIT47632-W
颜色
消耗功率24v/19.6w
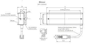
外壳尺寸(长)476
发光面尺寸(长)462
建议配套控制器OPT-DPA2024E




手机/微信:13682357734   电话:0755-84690029       QQ: 2844337877        邮箱:2844337877@qq.com

常见问题

粤ICP备15077436号