HAMAMATSU滨松 C12137-01D 辐射检测模块

测量示例 (C12137)
C12137 系列能够采集能量谱并提供准确的能量鉴别。已知 137Cs 以大约 662 keV 和 32 keV 的能量发射 γ 射线时会衰减。采集低至约 30 keV 的低能 γ 射线的能量谱可以确定这些 γ 射线是否来自 137Cs。当进入闪烁体的 γ 射线能量下降到低水平时,为响应 γ 射线而从闪烁体发射的光量也非常低。C12137 系列使用高灵敏度 MPPC,可在宽范围内检测 γ 射线。
* C12137 系列不含 PC。

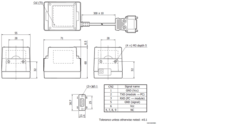
概念图及剖面图 (C12137-01)
该辐射探测器模块包含闪烁体、光电传感器 (MPPC)、信号处理电路和接口电路,均集成在紧凑的封装中,可轻松组装到便携式测量设备和内联测量设备中。在 C12137 系列中用作光传感器的 MPPC 体积小,外形薄,因此仅占可用空间的一小部分。另一方面,闪烁体占据了大部分空间。这意味着即使在这种小型辐射探测器模块中也能实现高检测效率。这种辐射探测器模块的紧凑性在食品、饮料和海洋产品的检测等用途中具有优势,来自测量对象的辐射极低。这是因为此类用途通常需要用铅覆盖辐射探测器的外围设备区域,以消除环境背景辐射的影响。然而,C12137 系列辐射探测器模块很小,因此可以减少屏蔽所需的铅量,从而使设备更小、更轻。

示例软件屏幕示例
滨松还提供示例软件,用于初步评估我们的辐射探测器模块。基本示例软件功能包括设置测量参数、采集和保存数据以及显示测量数据图。为了帮助用户开发自己的应用软件,以便在安装到设备中时操作我们的辐射探测器模块,我们还提供了示例软件的功能详细参数和源代码。
* C12137 系列可通过 USB 或 RS-232C 连接到 PC。获得的数据的图形显示仅适用于 USB 类型。
| 窗材 | MPPC |
|---|---|
| 闪烁体 | Csl(Tl) |
| 闪烁体尺寸 | 38 x 38 x 25 mm |
| 采样时间 | 10 至 60 s,可调节 |
| 比特率 | 115200 bps |
| 电源 | +5 V |
| 能量范围 | 0.03 至 2 MeV |
| 能量分辨率 | 8.5% |
| 测量条件 | 计数效率:137Cs,0.01 μSv/h 能量分辨率:137Cs,662 keV |

电话:0755-84690029;电话:13682357734;邮箱:2844337877@qq.com;QQ:2844337877