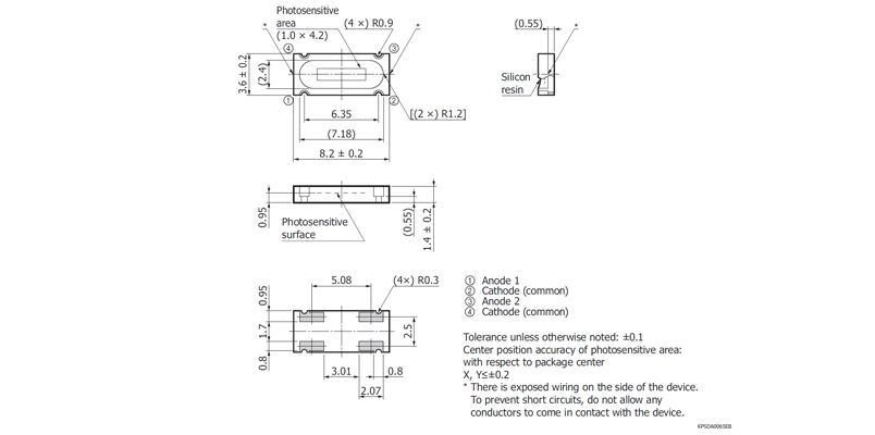
HAMAMATSU滨松 S7105-16 一维 PSD
| 受光面 | 1 x 4.2 mm |
|---|---|
| 封装 | 玻璃环氧树脂 |
| 最大灵敏度波长(典型值) | 960 nm |
| 感光灵敏度(典型值) | 0.55 A/W |
| 封装类别 | 表面贴装型 |
| 灵敏度波长范围 | 320 至 1100 |
| 暗电流(最大值) | 2 nA |
| 上升时间(典型值) | 5 μs |
| 结电容(典型值) | 40 pF |
| 电极间电阻(典型值) | 140 kΩ |
| 测量条件 | 典型值 Ta = 25°C,除非另有说明 |


电话:0755-84690029;电话:13682357734;邮箱:2844337877@qq.com;QQ:2844337877