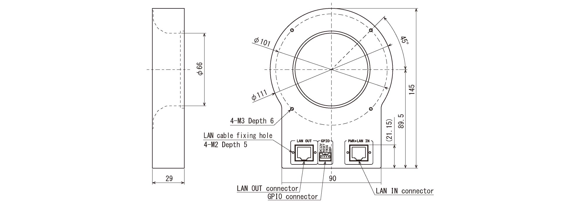
LELMAC雷马克 IRLMAR-110B 机器人灯光照明
| 模型 | IRLMAR-110W | IRLMAR-110R | IRLMAR-110B |
|---|---|---|---|
| 产品编号 | 145-020 | 145-021 | 145-022 |
| 发光颜色 | ![]() | ![]() | ![]() |
| 色温/峰值波长 | 7000K 典型值 | 634nm(典型值) | 465nm(典型值) |
| 输入电压 | 直流12V | ||
| 能量消耗 | 6.7W | 6.6W | 6.2W |
| 电缆长度 | 500毫米 | ||
| 输入连接器 | RJ-45 连接器 PHR-4 | ||
| 工作温度 | 0~+40℃ | ||
| 工作湿度 | 35-85%(非冷凝) | ||
| 大量的 | 待定 | ||
电话:0755-84690029;电话:13682357734;邮箱:2844337877@qq.com;QQ:2844337877