LELMAC雷马克 IDR-CT24BHV 低角度直射环形照明

| 模型 | IDR-CT24WHV | IDR-CT24RHV | IDR-CT24BHV | IDR-CT24GHV |
|---|---|---|---|---|
| 产品编号 | 118-206 | 118-205 | 118-208 | |
| 发光颜色 | ![]() | ![]() | ![]() | ![]() |
| 色温/峰值波长 | 7000K 典型值 | 660nm(典型值) | 470nm(典型值) | 525nm(典型值) |
| 输入电压 | 直流24V | |||
| 能量消耗 | 1.2W | 0.5W | 1.2W | 1.2W |
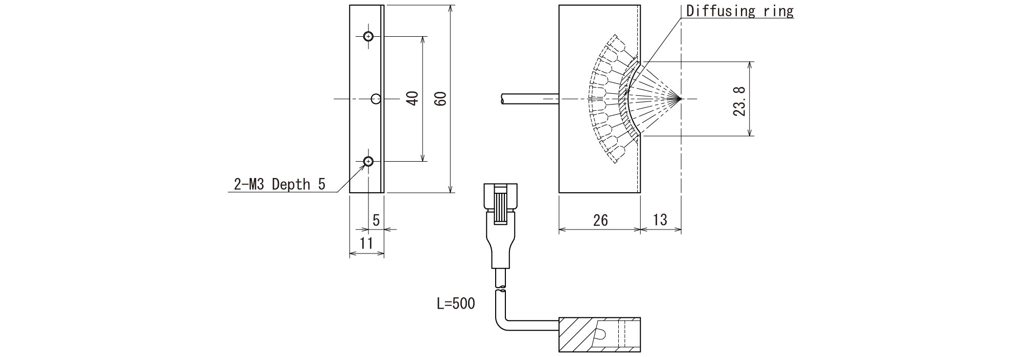
| 电缆长度 | 500毫米 | |||
| 输入连接器 | SM连接器(SMR-03V-B) | |||
| 极性 | 1:+ 2:NC 3:- | |||
| 工作温度 | 0~+40℃ | |||
| 工作湿度 | 35~70%(非凝结) | |||
| 工作湿度 | 40克 | |||
电话:0755-84690029;电话:13682357734;邮箱:2844337877@qq.com;QQ:2844337877