LELMAC雷马克 IFV-C50B 准同轴落射照明

| 模型 | IFV-C50DW | IFV-C50DR | IFV-C50R | IFV-C50B | IFV-C50G | IFV-C50 AIR-850 |
|---|---|---|---|---|---|---|
| 产品编号 | 331-533 | 331-538 | 331-520 | 331-522 | 331-526 | 331-737 |
| 发光颜色 | ![]() | ![]() | ![]() | ![]() | ![]() | ![]() |
| 色温/峰值波长 | 7000K 典型值 | 635nm(典型值) | 660nm(典型值) | 470nm(典型值) | 525nm(典型值) | 850nm(典型值) |
| 输入电压 | 直流12V | |||||
| 功耗 | 4.9W | 6W | 4.8W | 4.9W | 4.9W | 4.1W |
| SAG设定值 | FF | C9 | 71 | FF | FF | FF |
| 电缆长度 | 500毫米 | |||||
| 输入连接器 | SM连接器(SMR-02V-B) | |||||
| 极性 | 1:+ 2:- | |||||
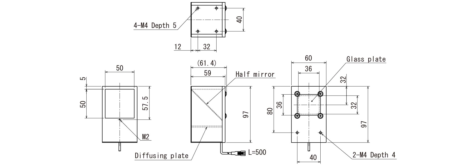
| 外部尺寸(高/宽/深) | 59毫米/60毫米/97毫米 | |||||
| 工作温度 | 0~+40℃ | |||||
| 工作湿度 | 35-85%(非冷凝) | |||||
| 大量的 | 250克 | 待定 | ||||
电话:0755-84690029;电话:13682357734;邮箱:2844337877@qq.com;QQ:2844337877