OPT   奥普特        OPT-LSG197       气冷光源
  • OPT   奥普特        OPT-LSG197       气冷光源

OPT 奥普特 OPT-LSG197 气冷光源

马上咨询
客服电话 13682357734

OPT   奥普特        OPT-LSG197       气冷光源


产品特点:

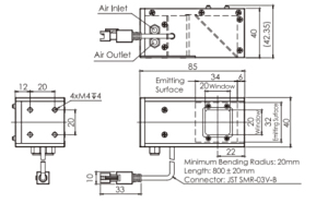
◆光源结构精巧、体积小,节省安装空间

◆特制聚光透镜设计,可达到很好的光斑效果

◆光源采用气冷方式散热,通过压缩空气,实现高效散热

◆非常适用于无尘环境和对气流气压有特殊要求的使用环境


应用领域:

◆手机玻璃屏表面缺陷检测

◆铝箔表面划伤检测

◆钢板表面缺陷检测

特殊定制

气冷线光源剖面结构图




手机/微信:13682357734   电话:0755-84690029       QQ: 2844337877        邮箱:2844337877@qq.com

常见问题

粤ICP备15077436号