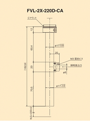
清和CORRECT FVL-2X-220D-CA 远心镜头
| 模型 | FVL-0.5X-250D-C | FVL-0.5X-420D-C | FVL-1X-140D-CA | FVL-1X-220D-C | FVL-2X-140D-C | FVL-2X-220D-CA | FVL-1X-40D-CA | FVL-8X-50D-CA-2M |
|---|---|---|---|---|---|---|---|---|
| 放大 | 0.5X | 0.5X | 1X | 1X | 2X | 2X | 1X | 8X |
| 工作距离 | 250毫米 | 420毫米 | 140毫米 | 220毫米 | 140毫米 | 220毫米 | 40毫米 | 50毫米 |
| 景深 | 3.6毫米 | 5.9毫米 | 1.3毫米 | 1毫米 | 642μm | 1.1毫米 | 864μm | 50μm |
| 失真 | 0.3%以下 | 0.2%以下 | 0.2%以下 | 0.5%以下 | 0.2%以下 | 0.2%以下 | 0.08%以下 | 0.2%以下 |
| 中心分辨率 | 58LP/毫米 | 40LP/毫米 | 91LP/毫米 | 119LP/毫米 | 95LP/毫米 | 56LP/毫米 | 128LP/毫米 | 277LP/毫米 |
| 解决 | 17微米 | 25μm | 11.0μm | 8.4μm | 10.5μm | 17.7μm | 7.8μm | 3.6μm |
| 不适用 | 0.0223 | 0.014 | 0.03 | 0.04 | 0.032 | 0.019 | 0.046 | 0.111 |
| 有效F | 11.2 | 18.5 | 16.6 | 12.5 | 32.1 | 53.6 | 10.8 | 39.74 |
| 山 | C接口 | C接口 | C接口 | C接口 | C接口 | C接口 | C接口 | C接口 |
| 兼容设备尺寸 | 1/2 英寸或更小 | 1/2 英寸或更小 | 2/3 英寸或更小 | 2/3 英寸或更小 | 1/2 英寸或更小 | 2/3英寸或更小 | 2/3 英寸或更小 | 2/3 英寸或更小 |
电话:0755-84690029;电话:13682357734;邮箱:2844337877@qq.com;QQ:2844337877