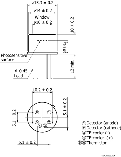
HAMAMATSU滨松 P11120-201 InAsSb 光伏元件
| 受光面 | φ1 mm |
|---|---|
| 像元数 | 1 |
| 封装类别 | TO-8 |
| 封装 | 金属 |
| 制冷 | 两级电子冷却型 |
| 截止波长(典型值) | 5.9 μm |
| 最大灵敏度波长(典型值) | 4.9 μm |
| 感光灵敏度(典型值) | 1.6 A/W |
| 检测率 D*(典型值) | 5.0×109 cm・Hz1/2/W |
| 噪声等效功率(典型值) | 1.8×10-11 W/Hz1/2 |
| 上升时间(典型值) | 400 ns |
| 测量条件 | Td = -30°C,检测率 D*:λ = λp,fc = 1200 Hz,Δf = 1 Hz |


电话:0755-84690029;电话:13682357734;邮箱:2844337877@qq.com;QQ:2844337877