HAMAMATSU滨松  L10101    微焦点 X 射线源

HAMAMATSU滨松 L10101 微焦点 X 射线源

马上咨询
客服电话 13682357734

HAMAMATSU滨松  L10101    微焦点 X 射线源

特点

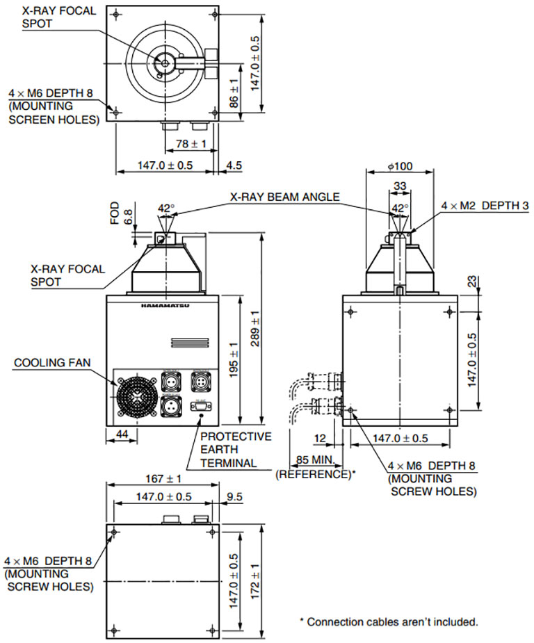
  • 短 FOD(焦点至物体距离):6.8 mm
  • 高功率:最大输出为 20 W
  • 焦点尺寸:5 µm(4 W 时)
  • 无需高压电缆连接

用途

  • 非破坏性检测
  • X 射线 CT

[Applicable objects]

  • 电子组件
  • 印刷电路板
  • 塑料组件
  • 金属组件

详细参数

管电压100 kV
类型密封型
管电压工作范围40 至 100 kV
最大输出20 W
X 射线焦点尺寸5 至 30(4W 时为 5um)μm
X 射线光束角度(锥角)42 度
焦点至物体距离 (FOD)6.8 mm

外形尺寸图(单位:mm)

电话:0755-84690029;电话:13682357734;邮箱:2844337877@qq.com;QQ:2844337877

常见问题

粤ICP备15077436号