LELMAC雷马克 IFV-C50BHV 准同轴落射照明

| 模型 | IFV-C50WHV | IFV-C50DRHV | IFV-C50RHV | IFV-C50BHV | IFV-C50GHV |
|---|---|---|---|---|---|
| 产品编号 | 331-536 | 331-729 | 331-532 | 331-726 | 331-727 |
| 发光颜色 | ![]() | ![]() | ![]() | ![]() | ![]() |
| 色温/峰值波长 | 7000K 典型值 | 635nm(典型值) | 660nm(典型值) | 470nm(典型值) | 525nm(典型值) |
| 输入电压 | 直流24V | ||||
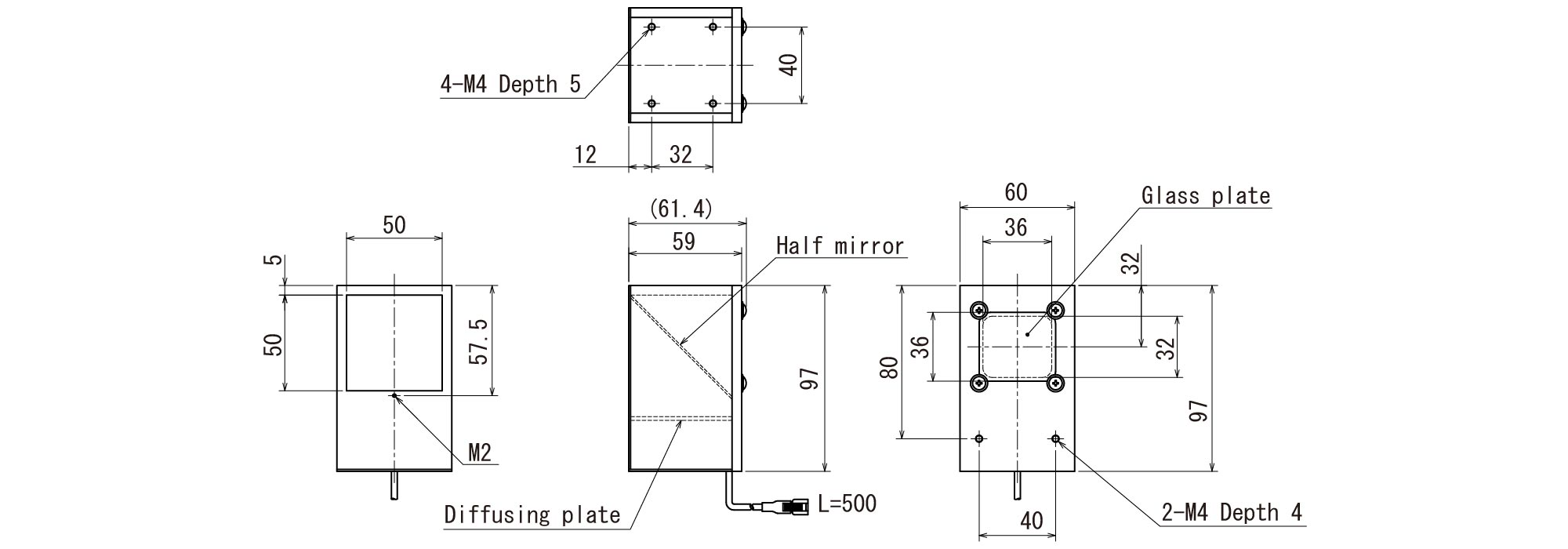
| 功耗 | 5.8W | 6.0W | 3.9W | 5.8W | 5.8W |
| 电缆长度 | 500毫米 | ||||
| 输入连接器 | SM连接器(SMR-03V-B) | ||||
| 极性 | 1:+ 2:NC 3:- | ||||
| 工作温度 | 0~+40℃ | ||||
| 工作湿度 | 35-70%(非冷凝) | ||||
| 大量的 | 250克 | 待定 | 250克 | ||
电话:0755-84690029;电话:13682357734;邮箱:2844337877@qq.com;QQ:2844337877