LELMAC雷马克 IDR-CT24B 低角度直射环形照明

| 模型 | IDR-CT24DW | IDR-CT24R | IDR-CT24B | IDR-CT24G |
|---|---|---|---|---|
| 产品编号 | 118-201 | 118-200 | 118-202 | 118-203 |
| 发光颜色 | ![]() | ![]() | ![]() | ![]() |
| 色温/峰值波长 | – | 660nm(典型值) | 470nm(典型值) | 525nm(典型值) |
| 输入电压 | 直流12V | |||
| 能量消耗 | 1.2W | 0.5W | 1.2W | 1.2W |
| SAG设定值 | FF | 公元前 | FF | FF |
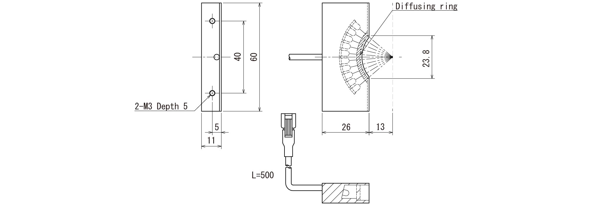
| 电缆长度 | 500毫米 | |||
| 输入连接器 | SM连接器(SMR-02V-B) | |||
| 极性 | 1:+ 2:- | |||
| 工作温度 | 0~+40℃ | |||
| 工作湿度 | 35~85%(非凝结) | |||
电话:0755-84690029;电话:13682357734;邮箱:2844337877@qq.com;QQ:2844337877